[Nächstes Kapitel] [vorangehendes Kapitel] [vorangehendes Kapitel (SeitenEnde)] [SeitenEnde] [Inhalt]
Der Pressverband gehört zu den kraftschlüssigen Welle-Nabe-Verbindungen. Der für die Kraftübertragung erforderliche Fugendruck \(p_{F}\) in den Reibflächen wird durch Verformung von Welle und Nabe erzeugt. Nach dem Herstellverfahren unterscheidet man Quer- und Längspressverbände. Querpressverbände lassen sich erzeugen durch Erwärmen des Außenteils (Nabe). Nach dem Abkühlen auf Raumtemperatur entsteht ein Schrumpfverband. Beim Unterkühlen des Innenteils (Welle) entsteht beim Erwärmen auf Raumtemperatur ein Dehnverband. Bei der Kombination beider Verfahren spricht man von einem Dehn-Schrumpfverband. Zur Erzeugung eines Längspressverbandes wird das zylindrische Innenteil bei Raumtemperatur in die Bohrung des Außenteils axial eingepresst. Die Berechnung erfolgt nach DIN 7190 für rein elastisch beanspruchte Pressverbände. Darüber hinaus werden Fliehkrafteinfluss und gestufte Geometrie sowie neben der Drehmomentbeanspruchung eine zusätzlich wirkende Radialkraft und ein Biegemoment berücksichtigt.

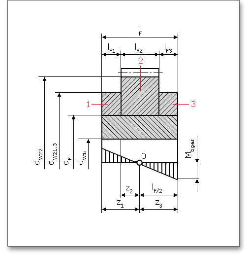
Die DIN 7190 legt die Berechnungsgrundlagen für Pressverbände mit zylindrischen Wirkflächen fest, deren Teile aus metallischen Werkstoffen bestehen. Diese Norm gilt überwiegend für den Maschinenbau. Sie kann sinngemäß auch in anderen Fachgebieten (z.B. Feinwerktechnik) angewendet werden. Das Berechnungsverfahren der DIN 7190 gilt für Pressverbände mit gleicher konstanter axialer Länge von Innen- und Außenteil (siehe Bild 1). Näherungsweise kann die Berechnung auch auf Pressverbände nach Bild 2 angewendet werden. Dabei werden allerdings Spannungserhöhungen im Bereich der Nabenkante nicht erfasst.

Zur bequemen Auswahl bzw. Auslegung einer geeigneten Toleranzpaarung ist ein Passungsrechner integriert. Dieser ist über den Button „Auslegung“ zu erreichen und beinhaltet das Toleranzsystem nach DIN ISO 286 mit allen IT-Klassen.

In der DIN ISO 286 sind die Abmaße für Durchmesser bis 500 mm definiert. Das gewünschte Toleranzfeld kann für Nabe und Welle jeweils aus einer Listbox ausgewählt werden. Eine individuelle Eingabe der oberen und unteren Abmaße von Nabe und Welle ist ebenfalls möglich. Kleinstes und größtes Übermaß sowie die Passungsart werden für den jeweiligen Nenndurchmesser angezeigt. Für die Passungsauslegung kann der IT-Klassenbereich gewählt werden. Es stehen die folgenden Bereiche zur Auswahl:
Für die Suche einer geeigneten Passung stehen verschiedene Optionen zur Verfügung. Auf Basis der
vorgegebenen Belastungen werden das Mindestübermaß und das maximal zulässige Übermaß ermittelt.
Diese Werte werden im Bereich „Passungsauslegung“ automatisch in den Feldern „Kleinstes Übermaß“ und
„Größtes Übermaß“ angezeigt und dienen somit als Ausgangsbasis für die Auslegung / Suche einer
geeigneten Toleranzpaarung. Zusätzlich besteht die Möglichkeit das Toleranzfeld für Nabe oder Welle
vorzugeben. Weiterhin kann man die Option „nur Vorzugspassungen anzeigen“ gewählt werden. Nach dem
Betätigen des Buttons „Passungen suchen“ werden die möglichen Passungen angezeigt und können aus
einer Listbox ausgewählt werden.
Über den Button „Auswahl“ gelangen Sie zum Passungsrechner. Hier können Sie mögliche Toleranzpaarungen auswählen oder sich entsprechende Passungen vorschlagen lassen. In dem Passungsrechner finden Sie das Toleranzsystem nach DIN ISO 286 mit allen IT-Klassen. Im oberen Teil können Sie über Listboxen das gewünschte Toleranzfeld für die Nabe und für die Welle einfach auswählen.

Zur gewählten Toleranzpaarung werden jeweils für Welle und Nabe das obere und untere Abmaß angezeigt. Weiterhin erfolgt die Angabe der Passungsart sowie des kleinsten und größten Übermaßes.

Sie können die Abmaße von Welle und Nabe auch direkt eingeben. Dazu muss die Option „Eingabe eigener Toleranzen aktivieren“ gewählt werden.

Sie können ein kleinstes und größtes Übermaß für die Passungsauslegung selbst vorgeben. Wenn Sie zuvor alle anderen Vorgabedaten in der Hauptmaske des Presssitzmoduls definiert haben, werden hier automatisch das erforderliche Kleinst- und Größtübermaß eingetragen.

Über den Button „Passungen suchen“ werden Ihnen alle möglichen Passungen angezeigt. Dabei kann die Meldung „Es wurden mehr als 500 Passungen gefunden. Es werden nur Vorzugspassungen angezeigt.“ auftreten. Bestätigen Sie diese Meldung mit „OK“ und wählen Sie aus der Listbox eine Passung aus.

Die Option „Nur Vorzugspassungen anzeigen“ wird automatisch aktiviert und alle Vorzugspassungen werden in der Listbox angezeigt.

Hinweis: Standardmäßig ist die Option „Nur Vorzugspassungen anzeigen“ aktiviert. So wird die
Passungssuche entsprechend eingeschränkt. Deaktivieren Sie diese Option und klicken auf „Passungen
suchen“, erhöht sich die Anzahl der Passungen, aus denen Sie wählen können.
Eine optimale Unterstützung erhalten Sie durch die Auslegungsfunktionen für den Fugendurchmesser, die Presssitzlänge, das Drehmoment und die Axialkraft zur Verfügung. Bei den Auslegungsfunktionen (Taschenrechner-Button), wird der gesuchte Eingabewert so bestimmt, dass die gewünschte Mindestsicherheit erreicht wird. Diese Mindestsicherheit ist standardmäßig mit dem Wert „1.2“ eingestellt. Um die vorgegebene Sicherheit zu verändern, klicken Sie auf den Button „Einstellungen“.

Der Einfluss der Fliehkraft auf den Pressverband durch die Eingabe einer entsprechenden Drehzahl wird nach F. G. Kollmann, Braunschweig „Rotierende Pressverbände bei rein elastischer Beanspruchung“ (Konstruktion 33, 1981 H.6, S. 233-239) in der Berechnung berücksichtigt.

Neben der Berücksichtigung von Axial- und Umfangskräften können auch eine Radialkraft und ein Biegemoment vorgegeben werden. Die Berechnung erfolgt nach Prof. Gropp „Das Übertragungsverhalten dynamisch belasteter Pressverbindungen ... “ und Prof. Hartmann „Berechnung und Auslegung elastischer Pressverbindungen“.

Aus den vorgegebenen Belastungen durch Biegemoment und Radialkraft werden entsprechend den nachfolgenden Gleichungen jeweils zusätzliche Pressungen berechnet.
\[p_{b} = \frac {9}{2} \frac {M_{b}}{(1-Q_{W})\cdot d_{F} \cdot l_{F}^{2}} \quad \mbox {und}\quad p_{r} = \frac {F_{r}}{d_{F}\cdot l_{F}}\]
Bei einer zu kleinen minimalen Fugenpressung kann es an der entlasteten Seite zum Abheben der Nabe, dem sogenannten Fugenklaffen, kommen. Das Fugenklaffen verkleinert die für die Kraftübertragung zur Verfügung stehende Fügefläche und ist daher unbedingt auszuschließen. Um Fugenklaffen zu vermeiden, ist die Bedingung
\[p_{min} \geq p_{r} + p_{b}\]
einzuhalten. Wird diese Bedingung nicht erfüllt, so erhalten Sie einen entsprechenden Hinweis im Meldungsfenster.

Der Betriebsfaktor wird für die Berechnung des Betriebsdrehmomentes \(T_{b}\) analog zur Zahnradberechnung gemäß DIN 3990 mit der nachfolgenden Tabelle bestimmt.
| Anwendungsfaktoren \(K_{A}\) nach DIN 3990-1: 1987-12
| ||||
| Arbeitsweise der | Arbeitsweise der getriebenen Maschine
| |||
| Antriebsmaschine | gleichmäßig | mäßige Stöße | mittlere Stöße | starke Stöße |
| (uniform) | (moderate) | (heavy) | ||
| gleichmäßig (uniform) | 1,0 | 1,25 | 1,5 | 1,75 |
| leichte Stöße | 1,1 | 1,35 | 1,6 | 1,85 |
| mäßige Stöße (moderate) | 1,25 | 1,5 | 1,75 | 2,0 |
| starke Stöße (heavy) | 1,5 | 1,75 | 2,0 | 2,25 oder höher |
gleichmäßig: Elektromotor, Dampfturbine, Gasturbine (geringe, selten auftretende Anfahrmomente)
leichte Stöße: Elektromotor, Dampfturbine, Gasturbine (größere, häufig auftretende Anfahrmomente)
mäßige Stöße: Mehrzylinder-Verbennungsmotoren
starke Stöße: Einzylinder-Verbrennungsmotoren
gleichmäßig: Stromerzeuger; gleichmäßig beschickte Gurtförderer oder Plattenbänder; Förderschnecken;
leichte Aufzüge; Verpackungsmaschinen; Vorschubantriebe von Werkzeugmaschinen; Lüfter; leichte
Zentrifugen; Kreiselpumpen; Rührer und Mischer für leichte Flüssigkeiten oder Stoffe mit gleichmäßiger
Dichte; Scheren; Pressen; Stanzen; Drehwerke; Fahrwerke ...
mäßige Stöße: Ungleichmäßig (z.B. mit Stückgut) beschickte Gurtförderer oder Plattenbänder;
Hauptantriebe von Werkzeugmaschinen; schwere Aufzüge; Drehwerke von Kranen; Industrie- und
Grubenlüfter; schwere Zentrifugen; Kreiselpumpen; Rührer und Mischer für zähe Flüssigkeiten oder Stoffe
mit unregelmäßiger Dichte, Kolbenpumpen mit mehreren Zylindern, Zuteilpumpen; Extruder (allgemein);
Kalander; Drehöfen; Walzwerke, (kontinuierliche Zinkband-, und Aluminiumband- sowie Draht- und
Stab-Walzwerke) ...
mittlere Stöße: Extruder für Gummi; Mischer mit unterbrochenem Betrieb für Gummi und Kunststoffe;
Kugelmühlen (leicht); Holzbearbeitung (Sägegatter, Drehmaschinen); Blockwalzenwerke; Hubwerke;
Einzylinder-Kolbenpumpen ...
starke Stöße: Bagger (Schaufelradantriebe), Eimerkettenantriebe; Siebantriebe; Löffelbagger; Kugelmühlen (schwer); Gummikneter; Brecher (Stein, Erz); Hüttenmaschinen; schwere Zuteilpumpen; Rotary-Bohranlagen; Ziegelpressen; Entrindungstrommlen; Schälmaschinen; Kaltbandwalzwerke; Brikettpressen; Kollergänge ...
Richtwerte für Haftbeiwerte/Reibfaktoren von Querpressverbänden nach DIN 7190 sind in der nachfolgenden Tabelle aufgeführt. Die Werte liegen auf der sicheren Seite und können sowohl für Rutschen in Umfangs- als auch in Längsrichtung angewendet werden.
| Haftbeiwerte bei Querpressverbänden in Längs- und Umfangsrichtung beim Rutschen
| |
| Werkstoffpaarung, Schmierung, Fügung | Haftbeiwerte \(\nu _{R}, \nu _{rl}, \nu _{u}\) |
| Stahl-Stahl-Paarung |
|
| Druckölverbände normal gefügt mit Mineralöl | 0,12 |
| Druckölverbände mit entfetteten Pressflächen mit Glyzerin gefügt | 0,18 |
| Schrumpfverband normal nach Erwärmung des |
|
| Außenteils bis zu 300\(^\circ \)C im Elektroofen | 0,14 |
| Schrumpfverband mit entfetteten Pressflächen |
|
| nach Erwärmung in Elektroofen bis zu 300\(^\circ \)C | 0,20 |
| Stahl-Gusseisen-Paarung |
|
| Druckölverbände normal gefügt mit Mineralöl | 0,10 |
| Druckölverbände mit entfetteten Pressflächen | 0,16 |
| Stahl-MgAl-Paarung, trocken | 0,10 bis 0,25 |
| Stahl-CuZn-Paarung, trocken | 0,17 bis 0,25 |
Haftbeiwerte / Reibfaktoren von Längspressverbänden gibt die nachfolgende Tabelle gemäß DIN 7190 an. Die Werte gelten für zügige Beanspruchung. Sie sind für Innenteile aus dem Werkstoff X 210 Cr W12 ermittelt und gelten für Stahl. Die Pressverbände sollen nach dem Fügen vor der ersten Belastung etwa 24 Stunden abgelagert werden.
| Haftbeiwerte von Längspressverbänden bei zügiger Beanspruchung
| ||||||
| Werkstoffe | Haftbeiwerte | |||||
| alt | neu | trocken | geschmiert | |||
| Nummer | \(\nu _{ll}\) | \(\nu _{rl}\) | \(\nu _{ll}\) | \(\nu _{rl}\) | ||
| St 60-2 | E 335 | 1.0060 | 0,11 | 0,08 | 0,08 | 0,07 |
| GS-60 | GE 300 | 1.0558 | 0,11 | 0,08 | 0,08 | 0,07 |
| RSt37-2 | S 235JRG2 | 1.0038 | 0,10 | 0,09 | 0,07 | 0,06 |
| GG-25 | EN-GJL-250 | 0,6025 | 0,12 | 0,11 | 0,06 | 0,05 |
| GGG-60 | EN-GJS-600-3 | 0,7060 | 0,10 | 0,09 | 0,06 | 0,05 |
| G-AlSi12 (Cu) | EN AB-44000 ff. | 0,07 | 0,06 | 0,05 | 0,04 | |
| G-CuPb10Sn | CB495K | 2.1176.01 | 0,07 | 0,06 | -1 | -1 |
| G-CuSn10Pb10 | ||||||
| TiAl6V4 | TiAl6V4 | 3.7165.10 | -1 | -1 | 0,05 | -1 |
| 1 Haftbeiwerte nicht bekannt
| ||||||
In der oben stehenden Tabelle bedeuten
Die Haftbeiwerte / Reibfaktoren hängen von folgenden Einflussgrößen ab:
Infolge der Reibvorgänge in der Fuge unterliegen die Haftbeiwerte statistischen Schwankungen. Die in den
aufgeführten Tabellen angegebenen Haftbeiwerte stellen deshalb Richtwerte dar. Sie liegen auf
der sicheren Seite. Sie können gemäß DIN 7190 durch experimentell bestimmte Werte ersetzt
werden.
Bei einer abgesetzten Nabe oder/und Welle wirkt bei gleicher Passung am dickwandigeren Abschnitt eine
größere Fugenpressung als am dünnwandigeren Abschnitt. Dadurch kommt es in den einzelnen Abschnitten
zu völlig verschiedenen Spannungs- und Verformungsverhältnissen. In einem solchen Fall ist die Verbindung
mit der Gesamtlänge \(L_{F}\) zu segmentieren. Das heißt, man betrachtet z.B. die Nabe als zusammengesetzt aus
getrennten Scheiben unterschiedlichen Durchmessers. Hieraus wird dann ein mittlerer Fugendruck für die
Pressverbindung ermittelt. Da sich die Spannungen und Verformungen von Segment zu Segment
nicht, wie dabei angenommen, schlagartig ändern können, stellt die Methode der Segmentierung
eine Näherung dar. Der Aufwand, die Übergangsbedingungen hierfür zu formulieren oder die
Fugenpressung mit Hilfe einer FEM-Berechnung zu ermitteln, ist nur für äußert kritische Fälle
vertretbar.
Die Berechnung für die genannte Vorgehensweise erfolgt auf der Basis des von Prof. Hartmann in „Berechnung und Auslegung elastischer Pressverbindungen“ angegebenen Algorithmus.

Die Eingabe der gestuften Geometrie erfolgt über den Button „gestuft“, der hinter dem Eingabefeld für den Nabenaußendurchmesser angeordnet ist. Dabei kann eine beliebige Anzahl von Segmenten definiert werden.

Wie die Segmentierung vorzunehmen ist, geht aus der Abbildung (siehe Abbildung 14.14) hervor. Ein Segment kann immer nur einen konstanten Nabenaußen- und Welleninnendurchmesser enthalten. D.h., wenn eine Wellenbohrung über zwei unterschiedlich große Nabenaußendurchmesser reicht, so müssen zwei Segmente mit unterschiedlichem Nabenaußendurchmesser und jeweils gleichem Welleninnendurchmesser definiert werden. Im Falle einer gestuften Wellenbohrung innerhalb eines konstanten Nabenaußendurchmessers ist ananlog zu verfahren - Definition von zwei Segmenten mit jeweils gleichem Nabenaußendurchmesser jedoch unterschiedlichen Welleninnendurchmessern.

Setzen Sie ein Häkchen in das Feld „Gestufte Nabengeometrie verwenden“.

Hier können Sie die einzelnen Segmente definieren. Geben Sie zum Beispiel eine Anzahl der Segmente vor, die Segmentlänge, Nabenaußen- sowie Welleninnendurchmesser.

Bestätigen Sie Ihre Eingaben mit dem Button „OK“. Die Eingaben werden übernommen. Der „Diagramm-Button“ wird „aktiviert“.

Das Diagramm zeigt den Verlauf der Fugenpressung entlang der Presssitzlänge. Sie können die aktuellen Werte mit dem Mauszeiger direkt im Diagramm abfragen und anzeigen lassen. Es werden jeweils die Werte für die kleinste (pK), mittlere (p) und größte (pG) Fugenpressung aufgrund des kleinsten, mittleren und größten Übermaßes dargestellt.

Infolge von Glättung der Rauheitsspitzen beim Fügen steht im gefügten Zustand nur noch das wirksame Übermaß \(U_{w}\) zur Verfügung. Sofern keine experimentellen Werte vorliegen, gilt nach DIN 7190 für Längs- und Querpressverbände
\[U = U_{o} - s \quad \mbox {und}\quad s = 0,8(R_{zA} + R_{zI})\]
Dabei ist \(s\) die Setzung, die sich aus den gemittelten Rauhtiefen \(R_{z}\) von Außen- und Innenteil ergibt. \(U_{o}\) ist jeweils das
mittlere, kleinste oder größte Übermaß.
Sind die Werte der Oberflächenrauhigkeiten für den arithmetischen Mittelwert der Profilkoordinaten \(R_{a}\) (früher arithmetischer Mittenrauhwert \(R_{a}\)) nach DIN EN ISO 4287 vorgegeben, so können die in der unten aufgeführten Tabelle nach DIN 7190 ermittelten Mittelwerte der größten Höhendifferenz des Profils \(R_{z}\) (gemittelte Rauhtiefe \(R_{z}\)) eingesetzt werden. Hierfür kann die Listbox für die Oberflächenqualität auf „Benutzerdefiniert“ gesetzt werden. Damit wird das nebenstehende Eingabefeld aktiviert und die individuelle Eingabe der Oberflächenrauhigkeit \(R_{z}\) kann erfolgen.

| Vergleich der arithmetischen Mittenrauhwerte \(R_{a}\) mit der gemittelten Rauhtiefe \(R_{z}\)
| ||||
| \(R_{a}\) in \(\mu {m}\) | Ra0,8 | Ra1,6 | Ra3,2 | |
| \(R_{z}\) in \(\mu {m}\) | von | 3,15 | 6,3 | 12,5 |
| bis | 10 | 20 | 31,5 | |
| Gemittelte Rauhtiefe \(R_{z}\) in \(\mu {m}\) | Rz6,3 | Rz12,5 | Rz20 | |
Die Berechnung der Durchmesseränderung am Innen- und Außendurchmesser von Welle und Nabe erfolgt
nach Niemann „Maschinenelemente“ Band 1 S.789 ff, 3. Auflage 2001. Dabei wird die Durchmesseränderung
infolge von Fugendruck und Fliehkraft berücksichtigt. Der Temperatureinfluss auf die Durchmesseränderung
wird nur am Außendurchmesser der Welle und am Innendurchmesser der Nabe über das veränderte
Übermaß und damit über den Fugendruck berücksichtigt.
Nach Niemann „Maschinenelemente“ Band 1 S.800, 3. Auflage 2001 wird das Drehmoment auch bei dauernder Schwingbeanspruchung durch rein elastische Verformung, d.h. ohne Schlupf übertragen, wenn das zu übertragende Moment \(T\) kleiner als ein Grenzdrehmoment \(T_{E}\) ist. Für den Fall „Vollwelle“, scheibenförmige Nabe mit \(L_{F}/D_{F} > 0,25\) und Welle und Nabe mit gleichem E-Modul, wird dies erreicht, wenn:
\[T_{E}\leq \frac {T \cdot S_{R}} {\sqrt \frac {8}{(1 - Q_{A}^{2}) } \cdot 2 \cdot \frac {L_{F}}{D_{F}} } \]
\(T \cdot Sr\)ist das Rutschmoment. Hieraus ergeben sich Abhilfemaßnahmen gegen Reibkorrosion. So können z.B. der
Fugendruck, der Haftbeiwert bezüglich Umfang, der Fugendurchmesser oder die Rutschsicherheit erhöht
werden, um Mikrogleiten bzw. Reibkorrosion zu vermeiden. Auch Umlaufbiegung kann zu Reibkorrosion
führen. Sind die hier genannten Voraussetzungen für die mögliche Berechnung des Grenzdrehmomentes
gegeben, so wird dieses für das mittlere, kleinste und größte Übermaß berechnet und im Protokoll unter dem
Punkt „Hinweis“ ausgegeben.
Dehnverbände werden durch das Unterkühlen des Innenteils, Schrumpfverbände durch das Erwärmen des Außenteils gefügt. Bei großen Übermaßen werden beide Verfahren kombiniert. Die Berechnung der Temperaturen, die das Innenteil unterkühlt bzw. das Außenteil erwärmt werden müssen, geht von der gewählten Mindestpassung aus. Zusätzlich ist für das Fügen ein Fügespiel einzuhalten, so dass ein Haften während des Fügevorgangs vermieden wird. Bei einer Einzelfertigung wird empfohlen, mit einem Fügespiel
\[U_{s\vartheta } = 0,001 \cdot D_{F}\]
zu rechnen. Damit wird das Risiko eines vorzeitigen Haftens der zu fügenden Partner vor beendetem
Fügevorgang bei Einzelfertigung abgedeckt. Bei Verwendung von Fügevorrichtungen kann das
oben empfohlene Fügespiel unterschritten werden. Das Fügespiel kann unter dem Menüpunkt
„Einstellungen“ vorgegeben werden. Dabei stehen zwei Möglichkeiten zur Verfügung. Zum einen kann das
Fügespiel wie oben angegeben in Promille des Fügedurchmessers vorgegeben und zum anderen direkt in \(\mu m\)
eingegeben werden.
Im Allgemeinen liegen die Raumtemperatur sowie die Fügetemperatur des Innenteils fest. Die erforderliche Fügetemperatur des Außenteils wird wie folgt berechnet:
\[\vartheta _{Aerf} = \vartheta _{R} + \frac {U_{F}}{\alpha _{A}\cdot D_{F}} + \frac {\alpha _{I}}{\alpha _{A}} \cdot (\vartheta _{I} - \vartheta _{R}) \]
Die Raumtemperatur sowie die Fügetemperatur der Welle können unter dem Menüpunkt
„Einstellungen“ vorgegeben (siehe Kapitel 14.23 „Einstellungen“). Die höchste auftretende Fügetemperatur
darf die erforderlichen Werkstückeigenschaften der zu fügenden wärmebehandelten Teile nicht
überschreiten.
In der nachfolgenden Tabelle nach DIN 7190 sind die für die maximalen Fügetemperaturen abhängig vom Werkstoff des Außenteils und der Wärmebehandlung geltenden Angaben aufgeführt.
| Fügetemperaturen
| |
| Werkstoff des Außenteils (Nabe) | Fügetemperatur \(^\circ \)C maximal |
| Baustahl niedriger Festigkeit | |
| Stahlguss | 350 |
| Gusseisen mit Kugelgraphit | |
| Stahl oder Stahlguss vergütet | 300 |
| Stahl randschichtgehärtet | 250 |
| Stahl einsatzgehärtet oder hochvergüteter Baustahl | 200 |
Die thermischen Längenausdehnungskoeffizienten sind in der nachfolgenden Tabelle für Innen- und Außenteil angegeben.
| Querdehnzahl, Elastizitätsmodul, Längenausdehnungskoeffizient
| ||||||
| Werkstoffe | Werkstoff | Quer- | Elastizitätsmodul |
Längenausdehnungs-
| ||
| Nr. | dehnzahl | \(N/mm^{2}\) | koeffizient \(\alpha \) | |||
| \(\nu \) | \(\approx \) | \(\frac {10^{-6}}{^\circ C}\)
| ||||
| \(\approx \) | Erwärmen \(\approx \) Unterkühlen | |||||
| MgAl8Zn | 3.5812 | 0,3 | ||||
| AlMgSi | 3.2315 | 0,34 | 65 000 bis 75 000 | 23 | -18 | |
| AlCuMg | 3.1325 | 0,33 bis 0,34 | ||||
| GG-101 | 0.6010 | 70 000 | ||||
| GG-151 | 0.6015 | 0,24 | 80 000 | 10 | -8 | |
| GG-201 | 0.6020 | 105 000 | ||||
| GG-251 | 0.6025 | 0,24 bis 0,26 | 130 000 | |||
| GGG-50 | 0.7050 | 0,28 bis 0,29 | 140 000 | 10 | -10 | |
| Temperguss | 0.25 | \(>\) 90 000 bis 100 000 | 10 | -8 | ||
| C-Stähle niedrig legiert | 0,3 bis 0,31 | |||||
| Ni-Stähle | 0,31 | 200 000 bis 235 000 | 11 | -8,5 | ||
| Bronze | 0,35 | 16 | -14 | |||
| Rotguss | 0,35 bis 0,36 | 80 000 bis 85 0000 | 17 | -15 | ||
| CuZn39Pb3 | 2.0401 | 0,37 | ||||
| CuZn37 | 2.0321 | 0,36 | 18 | -16 | ||
| 1 Nicht zugelassen für Anlagetechnik in Hütten- und Walzwerken
| ||||||
Zum Unterkühlen von Dehnverbänden kann entweder flüssiger Stickstoff \((\vartheta _{I} = -195,8^\circ C)\) oder \(CO_{2}\)-Trockeneis \((\vartheta _{I} = - 78,4^\circ C)\) verwendet
werden. Ob das aufwendige Unterkühlen erforderlich ist, muss anhand der maximal zulässigen Temperatur
der Nabe entschieden werden.
Die erforderliche Einpresskraft zum Fügen folgt aus
\[F_{e} = \pi \cdot D_{F}\cdot l_{F}\cdot \vartheta _{ll} \cdot p_{max} \]
Unter dem Menüpunkt „Einstellungen“ (siehe Kapitel 14.23 „Einstellungen“) kann der Haftbeiwert \(\nu _{ll}\) für das Einpressen und für das Auspressen vorgegeben werden. Der Haftbeiwert \(\nu _{ll}\) kann aus der Tabelle (siehe Tabelle 14.8) entnommen werden. Der maximale Fugendruck \(p_{max}\) wird hierbei für das Größtübermaß berechnet. Werden die Fügeflächen vor dem Fügen nicht geschmiert, so ergeben sich größere Reibfaktoren und damit größere übertragbare Längs- und Umfangskräfte. Jedoch besteht bei ungeschmierten Fügeflächen, insbesondere im Fall der elastisch-plastischen Auslegung, die Gefahr des Fressens. Daher sollten die Fügeflächen vor dem Fügen leicht einzuölen.
Weiterhin sind folgende Hinweise gemäß DIN 7190 für die konstruktive Gestaltung zu beachten:

Die Werte für die Fasenlänge \(l_{e}\) sind in der nachfolgenden Tabelle angegeben. Alle Maße sind in mm eingetragen.
| Fasenlänge \(l_{e}\)
| |||||
| \(D_{F}\) | \(D_{F}\) | ||||
| über | bis | \(l_{e}\) | über | bis | \(l_{e}\) |
| 50 | 80 | 4 | 400 | 630 | 8 |
| 80 | 160 | 5 | 630 | 800 | 9 |
| 160 | 250 | 6 | 800 | 1000 | 10 |
| 250 | 400 | 7 | 1000 | - | 10 |
Für die Berechnung der Fasenlänge gilt
\[l_{e} \approx \sqrt [3]{D_{F}} \]
Bei der Herstellung von Pressverbänden durch Einpressen sind die Fügeflächen mit einer dünnen Ölschicht
über die gesamte Fläche hinweg zu versehen. Verkanten der Fügeteile beim Einpressen muss vermieden
werden. Der Slip-Stick-Effekt ist durch Ein- bzw. Auspressgeschwindigkeiten von etwa 50 mm/s und jeweils
ausreichende Presskraftreserven (etwa 2,5fache Lösekraft) vermeidbar. Längspressverbände sollen erst
nach einer Ablagerungszeit von etwa 24 Stunden beansprucht werden, da erst dann die volle Haftkraft erreicht
wird (sofort nach dem Pressen nur 70%).
Nachfolgend werden Anhaltspunkte für die Wahl von Presspassungen nach Toleranz- und Passungskunde von
E. und K. Felber gegeben. Es werden Merkmale genannt, wie sie beim Zusammenbau für Passteile der
Rundpassungen in den allgemeinen Fällen zu erwarten sind. Die Eigenart der Passungen wird durch die
aufgeführten „Montageregelungen“ gut gekennzeichnet. Die in den „Montageregeln“ festgehaltenen
Merkmale entsprechen den Mittelwerten der Passungen. Es werden häufig verwendete Passungen
aufgeführt. Fast alle Passungen lassen sich durch niedrige Qualitäten, z.B. H8/u8 in H8/u7 in H6/u6
verfeinern. Die als „normal“ anzusehenden Passungen (z.B. H8/u7) werden im allgemeinen anzuwenden
sein. Bei größeren Anforderungen an Genauigkeit und Gleichmäßigkeit der zu paarenden Teile,
entsprechend der zu gewährleistenden Funktionen, müssen die feinen Qualitäten gewählt werden
(z.B. H6/u6). Es sind daher die nachfolgenden Beispiele, die hauptsächlich dem Maschinen- und
Gerätebau entnommen sind, nicht als absolute, vollständige und in jedem Falle gültige Angaben
anzusehen.
Beispiele für Presspassungen: H8/u8; U8/h7; H8/s7; S7/h6; H7/r6; R7/h6
Merkmal, Montageregel: Die Teile sitzen ineinander fest mit starkem Übermaß. Das Zusammenfügen ist nur
unter größerem Druck oder durch Anwendung von Wärme oder Kälte durch Temperaturdifferenz möglich.
Sicherung gegen Verdrehung oder Längsverschiebung im allgemeinen nicht nötig.
Beispiele: Auf Wellen festsitzende Zahnräder, Kupplungen, Bundringe, Pressringe, Radkränze,
Lagerbuchsen in Gehäusen, Buchsen in Radnaben, festsitzende Zapfen, Buchsen aus Kunstharzpressstoff;
Teile, die auch durch große Kräfte nicht gelöst werden.
Im TBK gibt es zwei Einheitensysteme: das metrische System sowie das US-amerikanische Einheitensystem. Die Funktion der Einheitenumschaltung ermöglicht es, einfach und schnell zwischen beiden Systemen zu wechseln. Um das entsprechende Einheitensystem auszuwählen, klicken Sie auf den Button „Einstellungen“ im Berechnungsmodul, anschließend können Sie sich für ein Einheitensystem entscheiden.

Die Einheit lässt sich direkt für jeden Eingabewert einzeln innerhalb des jeweiligen Einheitensystems ändern.
Klicken Sie dazu einfach auf die Beschriftung des entsprechenden Eingabefeldes und wählen Sie aus dem
Kontextmenü die Einheit aus. Alle Einstellungen werden mit in der Berechnungsdatei gespeichert. Die
Änderung der Maßeinheit sehen Sie sofort in der Bezeichnung des Eingabefeldes. Der aktuelle Feldwert wird
dabei in die entsprechende Einheit umgerechnet.
Mit dem Button „Zurück“ können Sie vorhergegangene Eingaben zurücksetzen. Wenn Sie eine rückgängiggemachte Eingabe wiederherstellen wollen, klicken Sie auf den Button „Vorwärts“.

Wählen Sie die Werkstoffe und die Oberflächenrauhigkeiten mit Hilfe der Listbox aus. Über den Eintrag „Benutzerdefiniert“ lässt sich ein individueller Werkstoff eintragen. Klicken Sie auf den Button „Werkstoff“, dann erhalten Sie weitere detaillierte Informationen zum entsprechenden Werkstoff bzw. auch hier die Eingabemöglichkeit für einen benutzerdefinierten Werkstoff. Das gilt für den Werkstoff für die Welle als auch für die Nabe.

Hinweis: Wenn Sie die Option „Benutzerdefiniert“ auswählen, werden alle Eingabe- und Auswahlmöglichkeiten aktiviert und Sie können Ihren individuellen Werkstoff anlegen. Ihre Eingaben werden beim Speichern in die Berechnungsdatei mitgespeichert. Wählen Sie allerdings im Modul einen anderen Werkstoff aus der Listbox aus, gehen Ihre definierten Angaben verloren. Diese müssen Sie anschließend erneut eingeben.

Das Berechnungsmodul enthält ein Meldungsfenster, in denen Informationen, Hinweise oder Warnungen aufgelistet werden. Die TBK-Software erkennt bereits während der Dateneingabe auftretende Fehler und zeigt Ihnen sogleich Lösungsvorschläge im Meldungsfenster an. Wenn Sie die verschiedenen Hinweise und Warnungen beachten und befolgen, lassen sich schnell Fehler in Ihrer Berechnung beheben.

Bewegen Sie den Mauszeiger über ein Eingabefeld oder über einen Button, so erhalten Sie zusätzliche Informationen, die Ihnen in der Kurzhilfe angezeigt werden.

Die Angabe der Ergebnisse erfolgt jeweils für das mittlere, kleinste und größte Übermaß der Presspassung. Die Ergebnisse werden bereits während jeder Eingabe berechnet und immer aktuell im Ergebnisfeld angezeigt. Es wird nach jeder abgeschlossenen Eingabe neu durchgerechnet. Dadurch werden jegliche Veränderungen der Eingabewerte auf die Ergebnisse schnell sichtbar. Werden die Mindestsicherheiten nicht erfüllt, so wird das Ergebnis mit einer roten Markierung angezeigt. Grundsätzlich können Sie jede Eingabe mit der Enter-Taste oder mit einem Klick in ein neues Eingabefeld abschließen. Alternativ können Sie mit der Tab-Taste durch die Eingabemaske springen oder nach jeder Eingabe auf den Button „Berechnen“ klicken. Auch hierbei werden die Werte entsprechend übernommen und die Ergebnisse sofort in der Übersicht angezeigt.

Nach Abschluss Ihrer Berechnungen können Sie ein Protokoll generieren. Klicken Sie auf den Button „Protokoll“.

Das Protokoll enthält ein Inhaltsverzeichnis. Hierüber lassen sich die gewünschten Ergebnisse schnell aufrufen. Es werden Ihnen alle Eingaben sowie Ergebnisse aufgeführt. Das Protokoll steht Ihnen im HTML- und im PDF-Format zur Verfügung. Sie können das erzeugte Protokoll zum Beispiel im HTML-Format abspeichern, um es später in einem Web-Browser wieder oder im Word für Windows zu öffnen. Das Berechnungsprotokoll lässt sich drucken oder speichern.

Nach der Durchführung Ihrer Berechnung können Sie diese speichern. Sie haben dabei die Möglichkeit, auf Ihrem Rechner zu speichern. Klicken Sie auf den Button „Speichern“ in der obersten Zeile des Berechnungsmoduls.

Geben Sie im Window-Dialogfenster unter „Dateiname“ den Namen Ihrer Berechnung ein und klicken Sie anschließend auf den Button „Speichern“.

Unter dem Menüpunkt „Einstellungen“ können die Mindestsicherheiten, das gewünschte Fügespiel, die Temperaturen beim Fügen (Raumtemperatur und Temperatur der Welle) sowie die Reibfaktoren beim Fügen für das Ein- und Auspressen bei einem Längspressverband für die Berechnung vorgegeben werden. Zusätzlich kann auch das Einheitensystem sowie die gewünschte Anzahl von Nachkommastellen für die Ausgabe der Zahlenwerte im Protokoll eingestellt werden.

Um das Berechnungsmodul für den Presssitz zu starten, klicken Sie in der Baumstruktur auf der linken Seite
auf den Menüpunkt „Verbindungen“ und anschließend auf „Presssitz“.
Es soll ein zylindrischer Presssitz gegen Rutschen ausgelegt werden. Die folgenden Eingabewerte sind vorgegeben:
| Fugendurchmesser | = 50 mm |
| Länge | = 20 mm |
| Außendurchmesser Nabe | = 95 mm |
| Innendurchmesser Welle | = 30 mm |
| Drehmoment | = 80 Nm |
| Axialkraft | = 125 N |
| Drehzahl | = 2.000 min/-1 |
| Betriebstemperatur | = 25\(^{\circ }\)C |
| Betriebsfaktor | = 1.2 |
| Reibfaktor axial | = 0.15 |
| Reibfaktor umfang | = 0.15 |
| Werkstoff Welle | = 20MnCr5 |
| Oberfläche Welle | = N6 |
| Werkstoff Nabe | = C45 vergütet |
| Oberfläche Nabe | = Rz = 6 |
Geben Sie die Beispieldaten ein. Bereits während Sie die Daten in die Eingabefelder eingeben, wird die Berechnung automatisch durchgeführt. Dabei kann es vorkommen, dass bei der Eingabe der Daten die Ergebnisse rot markiert werden. Fahren Sie trotzdem mit der kompletten Eingabe Ihrer Daten fort.

Hinweis: Beachten Sie bitte bei der Vorgabe der Toleranzpaarung insbesondere Kapitel „Passungsauswahl“. Weiterhin ist bei der Definition der Oberflächenqualität der Nabe zu beachten, dass der hier vorgegebene Wert über die benutzerdefinierte Eingabe erfolgen muss. Dazu brauchen Sie nur in der entsprechenden Listbox „Benutzerdefiniert“ auswählen und können dann den gewünschten Wert in das nebenstehende Eingabefeld eintragen.
Zur Auswahl der möglichen Toleranzpaarung und um zum Passungsrechner zu gelangen, klicken Sie auf den Button „Auswahl“.

Aktivieren Sie im Passungsrechner die Option „Nur Vorzugspassungen anzeigen“ und klicken Sie auf den Button „Passungen suchen“.

Ihnen werden zwei Passungen vorgeschlagen.

Wählen Sie die Passung H7/s6 aus und bestätigen Sie mit dem Button „OK“.

Aufgrund der Passungsauslegung hat sich bereits eine Sicherheit nahe der vorgegebenen Mindestsicherheit ergeben. Mit Hilfe der Auslegung können aber auch weitere Größen hinsichtlich der Ausnutzung der Mindestsicherheit optimiert bzw. geprüft werden. So kann z.B. das maximale Drehmoment unter Ausnutzung der vorgegebenen Mindestsicherheit für Rutschen \((S_{R} = 1.2)\) bestimmt werden. Die Vorgabe der Mindestsicherheit erfolgt über den Menüpunkt „Einstellungen“. Klicken Sie auf den Auslegungsbutton (Taschenrechner) neben dem Eingabefeld für das Drehmoment.

Jetzt wird das Drehmoment bestimmt.

In diesem Fall beträgt das maximale Nenndrehmoment 122.3 Nm. Wenn Sie jetzt einen höheren Wert als
122.3 Nm eingeben, so wird die Sicherheit gegen Rutschen unterschritten.
Das Ergebnisfeld wird rot markiert. Sie erhalten auch entsprechende Hinweise im Meldungsfenster.

Klicken Sie jetzt wieder auf den Auslegungsbutton (Taschenrechner), dann wird wieder das maximal
mögliche Nenndrehmoment ermittelt (122.3 Nm) und die vorgegebene Mindestsicherheit von 1.2 wird
erfüllt.
Die Angabe der Ergebnisse erfolgt jeweils für das mittlere, kleinste und größte Übermaß der Presspassung. Wird eine der vorgegebenen Sicherheiten unterschritten, so wird diese rot markiert. Die Ergebnisse werden Ihnen bereits während der Eingabe übersichtlich angezeigt. Nach jeder abgeschlossenen Eingabe sofort neu durchgerechnet.

Klicken Sie am Ende Ihrer Berechnung auf den Button „Protokoll“.

Das Protokoll enthält ein Inhaltsverzeichnis. Hierüber lassen sich die gewünschten Ergebnisse schnell aufrufen. Es werden Ihnen alle Eingaben sowie Ergebnisse aufgeführt. Das Protokoll steht Ihnen im HTML- und im PDF-Format zur Verfügung. Sie können das erzeugte Protokoll zum Beispiel im HTML-Format abspeichern, um es später in einem Web-Browser wieder oder im Word für Windows zu öffnen.

Das Berechnungsprotokoll lässt sich drucken oder speichern:
Nach der Durchführung Ihrer Berechnung können Sie diese speichern. Sie haben dabei die Möglichkeit, auf Ihrem Rechner zu speichern. Klicken Sie auf den Button „Speichern“ in der obersten Zeile des Berechnungsmoduls.

Geben Sie im Window-Dialogfenster unter „Dateiname“ den Namen Ihrer Berechnung ein und klicken Sie anschließend auf den Button „Speichern“.

Für weitere Fragen, Informationen oder auch Anregungen stehen wir Ihnen jederzeit gern zur Verfügung. Sie erreichen unser Support-Team über die E-Mail info@tbksoft.eu oder unter der Telefon-Nr. +49 (0) 531 129 399-0.