[Nächstes Kapitel] [vorangehendes Kapitel] [vorangehendes Kapitel (SeitenEnde)] [SeitenEnde] [Inhalt]
Um das Berechnungsmodul für Schraubenverbindungen zu starten, klicken Sie in der Baumstruktur auf der linken Seite auf den Menüpunkt „Verbindungen“ und anschließend auf „Schrauben“.

Schrauben gehören zu den am meisten verwendeten Elementen zum Verbinden von Bauteilen. Eine
Schraubenverbindung besteht aus einer Schraube, der Mutter sowie den zu verbindenden Teilen. Die Paarung
erfolgt durch Formschluss mittels Gewinde. Dazu können noch Unterlegscheiben und Sicherungen kommen.
Die miteinander verbundenen Bauteile lassen sich wieder zerstörungsfrei lösen. Anschließend können die
Bauteile erneut verbunden werden. Die Aufgabe der Schraubenverbindung ist dabei die Kräfte und Momente
zwischen den verbundenen Teilen zu übertragen. Zum Anziehen oder Lösen einer Schraube
benötigt man spezielle Werkzeuge, wie Schraubenschlüssel oder Schraubendreher. Außer zur
Befestigung dienen Schrauben auch zum Einstellen, Messen und Spannen (z.B. Spannschraube,
Verschlussschraube, Stellschraube, Messschraube). Schrauben und Muttern und deren Gewinde sind
weitgehend genormt.
Für die Berechnung hochfester Schraubenverbindungen wurde die VDI 2230 Richtlinie entworfen. Die
Festlegungen in der VDI 2230 gelten für Stahlschrauben (Befestigungsgewinde mit 60° Flankenwinkel) in
hochbeanspruchten und hochfesten Schraubenverbindungen, d.h. für Festigkeitsklassen 8.8 bis 12.9 bzw. 70
und 80 und einer kraftschlüssigen Übertragung der Betriebsbelastung. Diese besteht meist aus einer
statischen oder dynamischen Axialkraft. Zusätzlich können Biegemomente und Querkräfte auftreten. Die
Richtlinie gilt für eine begrenzte Abmessung der Kontaktflächen in den inneren Trennfugen. Wenn dieser
Grenzwert überschritten wird, gelten die angegebenen Beziehungen nicht mehr, bzw. es stellt sich ein
größerer Berechnungsfehler ein.
Die den Tabellen zu Grunde liegenden Werkstoffeigenschaften gelten nur bei Raumtemperatur,
d.h. die Abhängigkeit von tieferen und höheren Temperaturen ist entsprechend zu beachten.
Extreme Beanspruchungen (z.B. Korrosion), stoßartige und stochastische Belastungen werden nicht
behandelt.
Hinweis: Gemäß VDI 2230 befreit die Richtlinie nicht von experimentellen und/oder numerischen (FEM, BEM)
Untersuchungen zur Verifizierung der Berechnungsergebnisse. Dies ist insbesonders bei kritischen
Verbindungen anzuraten.
Die VDI 2230-1 beinhaltet, neben den Grundlagen der detaillierten Berechnung von Einschraubenverbindungen, auch ein vereinfachtes Verfahren zur Abschätzung des Durchmesserbereiches von Schrauben. Die Dimensionierung erfolgt nach einem einfachen Stufenmodell, ausgehend von Kräften, Belastungsarten und dem verwendeten Montageverfahren. Für eine schnelle und einfache Ermittlung des Mindestschraubendurchmessers kann das kostenfreie Modul „Überschlägige Schraubendimensionierung“ genutzt werden.

In der Maske „Betriebsdaten“ können Sie den Aufbau der Schraubenverbindung bestimmen. Es können
Einzelschrauben unter Längs- und Querkraft sowie Flanschverbindungen als Berechnungskonfiguration
ausgewählt werden. Zusätzlich ist ein beliebiger Aufbau mit einer individuellen Definition der
Belastungen möglich. Grundlage zur Berechnung von Einschraubverbindungen ist die Richtlinie VDI 2230
Blatt 1 „Systematische Berechnung hochbeanspruchter Schraubenverbindungen - Zylindrische
Einschraubenverbindungen“.
Bei Mehrschraubenverbindungen erfolgt die Berechnung meistens als Einschraubenverbindung, die dabei vereinfacht als Ausschnitt aus einer äußerst biegesteifen Mehrschraubenverbindung aufgefasst wird. Bedingung ist, dass die Schraubenachsen parallel zueinander und senkrecht zur Trennfuge verlaufen. Eine Ausnahme stellt die Berechnungskonfiguration für Flanschverbindungen dar. Hier erfolgt die Berechnung nach VDI 2230 Blatt 2 direkt als Mehrschraubenverbindung.

Die Berechnung einer Schraubenverbindung geht von der Betriebskraft \(F_{B}\) aus, die von außen auf die Verbindung einwirkt. Die Verbindung kann im Betrieb eine axial wirkende Betriebskraft \(F_{A}\), eine Querkraft \(F_{Q}\), ein Biegemoment \(M_{B}\) und möglicherweise auch ein Torsionsmoment \(M_{T}\) aufnehmen. Die Ausgangsgrößen \(F_{A}\), \(F_{Q}\), \(M_{T}\) und \(M_{B}\) werden als bekannt vorausgesetzt und sind Grundlage der Dimensionierung.

Klicken Sie die Listbox an und wählen Sie eine Konfiguration aus. Die folgenden Schraubenkonfigurationen stehen Ihnen dabei zur Verfügung:

Wenn Sie aus der Listbox die Option „Beliebiger Aufbau“ wählen, dann haben Sie die Möglichkeit eine eigene Schraubenkonfiguration zu definieren. Sie können den entsprechenden Belastungsfall aus der Listbox auswählen. Je nach Belastungsfall erscheinen dann die jeweiligen Eingabefelder, in die Sie dann Ihre Werte ergänzen können.

Zusätzlich zu den Betriebskräften ist auch eine Mindestklemmkraft \(F_{K}\) zum Zusammenpressen der
verschraubten Teile nötig. Die Klemmkraft entsteht durch das Zusammendrücken der Teile und soll nicht nur
ein Abheben der Trennfugen verhindern, sondern auch Reibschluss halten oder das Dichtpressen von
Flanschen und Dichtungen sicherstellen. Solange noch eine Klemmkraft vorhanden ist, lösen sich Schrauben
oder Muttern nicht von selbst. Genau wie die Betriebskräfte muss die Mindestklemmkraft vor der Berechnung
bekannt sein. Eine notwendige Klemmkraft zum Erreichen einer Dichtwirkung kann in dem entsprechenden
Eingabefeld berücksichtigt werden.
Die Größe und die Richtung der Betriebskräfte können sich zeitlich verändern. Deshalb muss die
Häufigkeit und die Folge der Belastungsänderungen abgeschätzt werden. Lastwechselzahlen bis zu mehr
als einigen hundert Lastwechseln während der vorgesehenen Lebensdauer der Schraubenverbindung
verursachen keinen Haltbarkeitsverlust im Vergleich zu einer konstanten zügigen statischen Beanspruchung.
Die maximal vorgebbare Schwingspielzahl beträgt \(N_{D} = 2 \times 10^{6}\), da nach VDI 2230 eine größere Schwingspielzahl die
Berechnung der Dauerhaltbarkeit nicht mehr beeinflusst. Die Untergrenze der vorgebbaren Schwingspielzahl ist
gemäß VDI 2230 \(N_{Z} > 10^{4}\).
Die Temperatur hat einen wesentlichen Einfluss auf die Tragfähigkeit einer Schraubenverbindung. Die Beeinträchtigung wird hervorgerufen durch temperaturbedingte Änderungen der mechanischen und physikalischen Eigenschaften des Werkstoffes (Elastizitätsmodul, thermischer Ausdehnungskoeffizient). Zu beachten ist, dass höhere oder tiefere Temperaturen zu Veränderungen der mechanischen und funktionellen Eigenschaften von Schrauben führen. So verändern sich der Elastizitätsmodul der Werkstoffe, die zulässigen Spannungen und die Wärmedehnzahlen. Dies muss in den Werkstoffeigenschaften berücksichtigt werden, da im Programm die Werkstoffkennwerte nur für eine Raumtemperatur von 20°C hinterlegt sind. Es können unterschiedliche Temperaturen für die Schraube und für die verspannten Teile vorgegeben werden. Die Temperaturunterschiede zwischen Schraube und verspannten Teilen sollten nicht zu groß werden. Bei unterschiedlichen thermischen Ausdehnungskoeffizienten von Schrauben und verspannten Teilen entstehen Differenzdehnungen zwischen Schrauben und verspannten Teilen, was zu einer Änderung der Vorspannkraft führt. Über die Vorspannkraftänderung ist damit auch eine temperaturbedingte Änderung der Flächenpressung in der Kopfauflagefläche verbunden, die häufig das verspannte Bauteil deutlich höher belastet. Es gibt nur selten Schraubenverbindungen, bei denen die Schrauben wärmer werden als die verspannten Teile. In solchen Fällen sind die Schrauben bei Raumtemperatur mit einer sehr hohe Vorspannung zu versehen, damit auch beim Nachlassen der Vorspannung noch genügend Anpresskraft vorhanden ist. Außerdem sollte ein Schraubenwerkstoff mit einer geringen Wärmedehnungszahl gewählt werden.

Wird eine Schraube angezogen, dann werden die Gänge des Außen- und Innengewindes aufeinander
gepresst. Dies erzeugt einen Reibwiderstand. Weiterer Reibwiderstand kommt hinzu, wenn der Schraubenkopf
oder die Mutter auf die Unterlage gedrückt wird. Die Funktionstüchtigkeit einer Schraubverbindung hängt
wesentlich von der Montage ab. Daher haben das Anziehverfahren sowie die jeweils erreichten
Montagevorspannkräfte einen großen Einfluss auf die Schraubverbindung.
Nach Art der Montage lassen sich nicht vorgespannte und vorgespannte Verbindungen unterscheiden.
Nicht vorgespannte Verbindungen kommen relativ selten vor, z.B. bei Abziehvorrichtungen oder
Einstellvorrichtungen, vorgespannte Schraubenverbindungen dagegen häufiger. Die Verbindung wird bereits
bei der Montage belastet und zwar durch die beim Anziehen entstehende Vorspannkraft, mit der die
verschraubten Teile gegenüber gedrückt werden. Zusätzlich zur Vorspannkraft ist eine Betriebskraft zu
übertragen.
Für die Montage bietet das Berechnungsmodul die üblichen Anziehverfahren. Auf Basis des gewählten Anziehverfahrens wird der entsprechende Anziehfaktor automatisch gesetzt. Dieser kann jedoch auch ganz individuell vorgegeben werden. Eine individuelle Vorgabe der Ausnutzung der Streckgrenze, z.B. für 100% statt für 90%, ist ebenfalls möglich.

Die zum Vorspannen erforderliche Montagevorspannkraft \(F_{M}\) wird in der Praxis durch unterschiedliche Anziehverfahren aufgebracht. Schrauben können sich bei der Montage ganz unterschiedlich verhalten und deshalb können die Klemmkräfte in weiten Grenzen schwanken. Das Anziehverfahren hat einen großen Einfluss auf die Streuung im Montageprozess. Die Genauigkeit, mit der die vorgesehene Montagevorspannkraft \(F_{M}\) erreicht wird, hängt allein vom Anziehverfahren ab. Um die Streuung des Anziehfaktors möglichst gering zu halten, sollte ein hochwertiges Montageverfahren genutzt werden. Ein Anziehen ohne Einstellkontrollen, zum Beispiel von Hand, führt zu den größten Streuungen. Es ist jedoch zu beachten, dass nicht jedes Anziehverfahren für jede Verbindungsart auch geeignet ist. Schrauben lassen sich zum Beispiel drehmoment-, drehwinkel- oder streckgrenzgesteuert anziehen. Mit Hilfe von Montagewerkzeugen wird das Anziehdrehmoment auf die Schraube bzw. die Mutter übertragen. Im Berechnungsmodul stehen die folgenden Anziehverfahren zu Verfügung und können einfach über die Listbox ausgewählt werden:

Beim streckgrenzgesteuerten Anziehen wird die Schraubenverbindung zunächst mit einem Fügemoment
vorgespannt. Dann wird das Verhältnis von Anziehdrehmoment und Anziehdrehwinkel gemessen.
Wird die Schraubenstreckgrenze erreicht, so steigt das Anziehdrehmoment nicht weiter an und die
Anzugsgeräte beenden selbsttätig den Anziehvorgang. Daher ist eine Überbeanspruchung kaum
möglich.
Beim drehwinkelgesteuerten Anziehen wird die Schraubenverbindung zunächst mit dem Fügemoment
angezogen. Anschließend wird der Drehwinkel des Schraubenkopfes bzw. der Mutter gemessen.
Für die größte Genauigkeit wird bis in den überelastischen Bereich vorgespannt, da sich dann
Winkelfehler wegen des fast horizontalen Verlaufes der Verformungskennlinie kaum auswirken. Um den
Nachziehwinkel zu ermitteln, sind allerdings umfangreiche Vorversuche notwendig. Aufgrund der
plastischen Verformung sollten die Schrauben nicht wiederverwendet werden. Dieses Verfahren
eignet sich für Einzelmontagen und Großserienmontagen. Auch in der Automobilindustrie findet
das drehwinkelgesteuerte Anziehen seine Anwendung. Beim überelastischen streckgrenz- und
drehwinkelgesteuerten Anziehen werden die Schrauben zu mindestens 100% ihrer jeweiligen Streckgrenze
ausgenutzt.
Beim hydraulischen Anziehen wird der Schraubenbolzen an seinem freien, über die Mutter hinausstehenden Ende gefasst und gegenüber den zu verspannenden Teilen auf Zug belastet. Es ist also ein Verfahren, bei dem die Schraube nicht auf Torsion beansprucht wird. Die Mutter hebt sich von den verspannten Teilen ab und kann durch Aufschrauben zur Anlage gebracht werden. Beim Entlasten verbleibt eine definierte Vorspannkraft im Schraubenbolzen. Da beim Rückfedern der Schraubenbolzen elastische und plastische Verformungen auftreten, müssen die Schrauben über die erforderlichen Vorspannkräfte hinaus belastet werden. Dies wirkt sich eher nachteilig aus, da dies zu einer Minderung der Vorspannkräfte führt. Der Vorteil beim hydraulischen Anziehen besteht jedoch darin, dass nicht nur besonders große Schrauben vorgespannt werden können, sondern es ist auch möglich, mehrere Schrauben gleichzeitig auf die gleiche Vorspannkraft anzuziehen.
Aufgrund der recht einfachen Handhabung und der kostengünstigen Anziehgeräte hat sich das
drehmomentgesteuerte Anziehen als gebräuchlichstes Montageverfahren durchgesetzt. Bei diesem Verfahren
bietet sich das Anziehdrehmoment als günstige Basis zum Anziehen auf festgelegte Klemmkräfte an. Die
auftretende Streuung der Montagevorspannkraft wird durch die Streuung des Anziehdrehmomentes und der
Gewinde- und Kopfreibung hervorgerufen. Zum Anziehen eignen sich Drehmomentenschlüssel, die auf ein
Sollanziehmoment eingestellt werden. Die Drehmomentenschlüssel zeigen dies bei Erreichen an und
schalten sich ab. Vorteile beim drehmomentgesteuerten Anziehen sind das einfach zu messende
Drehmoment sowie die einfach nutzbaren Werkzeuge. In der VDI 2230 Richtlinie werden die zwei
Reibungszahlklassen A und B unterschieden, die von verschiedenen Faktoren, wie beispielsweise Werkstoff,
Oberflächengüte oder Schmierungszustand abhängig sind. Für das am häufigsten angewandte
drehmomentgesteuerte Anziehen wird üblicherweise eine 90%ige Ausnutzung der Mindeststreckgrenze
zugrunde gelegt.
Beim impulsgesteuerten Anziehen wird das Drehmoment durch Impulse von Schlagschraubern erzeugt. Jeder
Drehimpuls des Schraubers erhöht stufenweise die Vorspannkraft. Durch starke Schläge kann die Schraube
sehr schnell angezogen werden. Sind die Schläge dagegen zu schwach, dann reicht dies nicht aus, um die
Schraube schnell und stark anzuziehen. Dieses Verfahren hat seine Vor- und Nachteile. Muss
die Montage in der Serienfertigung handlich sein und schnell erfolgen, dann eignet sich dieses
Verfahren. Doch für hochbeanspruchte Schraubenverbindungen ist dieses Montageverfahren
zu ungenau und eignet sich aufgrund der hohen Anzugsmoment- und Vorspannkraftstreuungen
nicht.
Das Berechnungsmodul bietet Ihnen die Möglichkeit, einen Anziehfaktor individuell vorzugeben. Wählen Sie aus der Listbox „Anziehverfahren“ den Eintrag „benutzerdefiniert“ aus.

Das Eingabefeld für den Anziehfaktor wird aktiviert und Sie können Ihren eigenen Wert hinzufügen. In der
Kommentarzeile können Sie eine kurze Notiz oder ein Anmerkung ergänzen. Die Bemerkung erscheint
später im Protokoll unter dem Menüpunkt „Montage“.
Der Anziehfaktor \(\alpha _{A}\), auch Montage-Unsicherheitswert, berücksichtigt die Streuung der Montagevorspannkraft zwischen \(F_{Mmin}\) und \(F_{Mmax}\). Da der Anziehfaktor von der jeweiligen Anziehmethode abhängig ist, erfolgt die Ermittlung unter Beachtung des Anziehverfahrens. Auch den Einfluss der Schmierung und des Oberfächenzustandes soll der Anziehfaktor mit einbeziehen. Auf Basis des gewählten Anziehverfahren wird der entsprechende Anziehfaktor automatisch vom Programm gesetzt. Der Anziehfaktor kann jedoch auch individuell vorgegeben werden. Um einen eigenen Anziehfaktor zu definieren, wählen Sie aus der Listbox „Anziehverfahren“ den Eintrag „benutzerdefiniert“ aus. Das Eingabefeld für den Anziehfaktor wird freigeschaltet und Sie können Ihren eigenen Wert ergänzen. Die folgende Übersicht zeigt die entsprechenden Anziehfaktoren, wie sie auch in der VDI 2230 Richtlinie zu finden sind. Mit einem Klick auf den Fragezeichen-Button lässt sich die Tabelle öffnen.

| Richtwerte für den Anziehfaktor \(\alpha _{A}\)1
| ||
| Anziehfaktor \(\alpha _{A}\) | Anziehverfahren | Einstellverfahren |
| 1,2 bis 1,4 | Streckgrenzgesteuertes Anziehen, | Vorgabe des relativen Dreh- |
| motorisch oder manuell | moment-Drehwinkel-Koeffizienten | |
| 1,2 bis 1,4 | Drehwinkelgesteuertes Anziehen, | Versuchsmäßige Bestimmung |
| motorisch oder manuell | von Voranziehmoment und Dreh- | |
| winkel (Stufen) | ||
| 1,4 bis 1,6 | Drehmomentgesteuertes Anziehen | Einstellung über Druckmessung |
| mit Hydraulikwerkzeug | ||
| 1,4 bis 1,6 | Drehmomentgesteuertes Anziehen | Versuchsmäßige Bestimmung |
| mit Drehmomentschlüssel, signal- | der Sollanziehmomente am | |
| gebendem Schlüssel oder | Originalverschraubungsteil, | |
| motorischem Drehschrauber mit | z.B. durch Längenmessung der | |
| dynamischer Drehmomentmessung | Schraube | |
| 1,6 bis 2,0 | Drehmomentgesteuertes Anziehen | Bestimmung des Sollanzieh- |
| (Reibungszahlklasse B) | mit Drehmomentschlüssel, signal- | moments durch Schätzen |
| gebendem Schlüssel oder | der Reibungszahl | |
| 1,7 bis 2,5 | motorischem Drehschrauber mit | (Oberflächen- und Schmier- |
| (Reibungszahlklasse A) | dynamischer Drehmomentmessung | verhältnisse) |
| 2,5 bis 4 | Anziehen mit Schlagschrauber, | Einstellen des Schraubers über |
| „Abwürgschrauber“ oder Impuls- | Nachziehmoment, das aus Soll- | |
| schrauber, Anziehen von Hand | anziehmoment (für die geschätzte | |
| Reibungszahl) und einem Zuschlag | ||
| gebildet wird | ||
| 1 Tabelle aus: VDI 2230 Blatt 1/Part 1, VDI Verlag, Düsseldorf 2015, S. 119, Tabelle A8.
Richtwerte für den Anziehfaktor
| ||
Eine der wichtigsten Größen für die Dimensionierung von Schraubenverbindungen ist die Streckgrenze bzw. 0,2%-Dehngrenze \(R_{p0,2}\) des Schraubenbolzens. Die Streckgrenze gibt je Quadratmillimeter des wirksamen Querschnittes die maximal übertragbare Kraft in \(N\) an, bei der eine bleibende Verformung der Schrauben von höchstens 0,2% eintritt. Wenn die Streckgrenze deutlich überschritten wird, längt sich die Schraube, es treten bleibende plastische Verformungen ein, und es kommt dann schließlich zum Bruch der Schraube. Die höchsten Kräfte, die in einem Bauteil auftreten, dürfen nicht die Streckgrenzenlast der Schraubverbindung erreichen oder überschreiten. Sie müssen um einen Sicherheitsbeitrag kleiner bleiben, meist 10%. Allgemein wird die Schraube also auf 90% angezogen. Mit der Wahl der 90-prozentigen Ausnutzung soll sichergestellt werden, dass der Schraubenbolzen noch eine Ausnutzungsreserve von 10% für zusätzliche Betriebskräfte besitzt. Beim überelastischen streckgrenz- und drehwinkelgesteuerten Anziehen werden die Schrauben zu mindestens 100% ihrer jeweiligen Streckgrenze ausgenutzt. Bei der Wahl dieser beiden Anziehverfahren wird die Ausnutzung der Streckgrenze automatisch auf 100% gesetzt. Das Modul bietet Ihnen die Möglichkeit, die Ausnutzung der Streckgenze individuell vorzugeben, zum Beispiel für 100% statt für 90%. Klicken Sie auf den Schloss-Button, um das Eingabefeld manuell freizuschalten.

Das Anziehverfahren und die jeweils erreichte Montagevorspannkraft \(F_{M}\), die durch das Festdrehen der Schraube entsteht, haben einen entscheidenen Einfluss auf die Funktionstüchtigkeit und Haltbarkeit einer Schraubenverbindung. Durch Setzen infolge plastischer Angleichungen der verspannten Teile verringert sich die Montagevorspannkraft \(F_{M}\) auf die wirksame Vorspannkraft \(F_{V}\). Die Montagevorspannkraft muss daher sorgfältig bestimmt und auch bei der Montage sicher eingestellt werden.

Die Montagevorspannkraft lässt sich durch Verdrehen der miteinander im Eingriff stehenden Schrauben- und
Muttergewindegänge einstellen. Je nach Reibungsverhältnissen und Anziehmethode, schwankt die
Montagevorspannkraft zwischen einem Kleinstwert \(F_{Mmin}\) und einem Größtwert \(F_{Mmax}\). Dabei ist \(F_{Mmax}\) die Montagevorspannkraft,
für die eine Schraube ausgelegt werden muss, damit die erforderliche Klemmkraft in der Verbindung erzeugt
wird und erhalten bleibt und das trotz der Ungenauigkeit des Anziehverfahrens und der zu erwartenden
Setzbeträge während des Betriebs. \(F_{Mmin}\) ist die kleinste Montagevorspannkraft, die sich bei \(F_{Mmax}\) infolge der
Ungenauigkeit des Anziehverfahrens einstellt. Die beim Anziehen auftretenden Streuungen der
Montagekraft \(F_{M}\) zwischen \(F_{Mmin}\) und \(F_{Mmax}\) können übersichtlich im Verspannungsschaubild berücksichtigt
werden.
Hinweis: Das Verspannungsschaubild lässt sich über den Button „Diagramme“ auf der linken Seite
aufrufen.
Die verschiedenen Betriebskraftverhältnisse, der Vorspannkraftverlust durch Setzen, die Streuung der Montagevorspannkraft, die Art der Krafteinleitung sowie die thermischen Kräfte sind Bestandteil der Hauptdimensionierungsformel und bilden somit die Basis für die Schraubenberechnung:
\[F_{Mmin} = F_{Kerf} + (1 - \Phi ) F_{A} + F_{Z} + \Delta F_{Vth}\]
\[F_{Mmax} = \alpha _{A} \cdot F_{Mmin}\]
Die Montagevorspannkraft wird beeinflusst durch (VDI 2230, 2015):

Um eine Schraube mit einem bestimmten Kraftaufwand anzuziehen, wird ein Anziehdrehmoment gebraucht. Bei
den meisten Anziehverfahren wird ein Anziehdrehmoment \(M_{A}\) über den Schraubenkopf oder die Mutter in die
Verbindung eingeleitet.
Das zur Vorspannkrafterzeugung erforderliche gesamte Anziehdrehmoment \(M_{A}\) setzt sich aus dem Gewindemoment \(M_{G}\) und dem Kopf- bzw. Mutterreibungsmoment \(M_{K}\) zusammen:
\[M_{A} = M_{G} + M_{K}\]
„Setzen“ einer Schraubverbindung bezeichnet das Nachlassen der Vorspannung in einer Schraubenverbindung, wodurch die Klemmkraft verringert wird und die Schraubenverbindung sich lockert. Ursache für das Setzen einer Schraubenverbindung sind plastische Verformungen, die während und nach der Montage auftreten und die zum Lockern der Verbindung führen. Der Setzbetrag ist u.a. von der Art der Betriebsbelastung, der Anzahl der Trennfugen sowie von der Oberflächenrauigkeit abhängig. Je größer die Anzahl der Trennfugen, desto größer wird der Setzbetrag. Auch die Steifigkeit der verspannten Teile beeinflusst den Setzbetrag.

Das Setzen wirkt sich mindernd auf die Montagevorspannkraft \(F_{M}\) aus, denn die Montagevorspannkraft \(F_{M}\) geht durch das Setzen um den Vorspannkraftverlust \(F_{Z}\) auf die Vorspannkraft \(F_{V}\) zurück. Vorspannungskraftverluste können durch Setzsicherungen verhindert werden. Die Setzsicherung muss dafür sorgen, dass das Setzverhalten der Verbindung durch einen ausreichend großen elastischen Federweg des Sicherungselements kompensiert wird. Jedes zusätzliche Verbindungselement (z.B. Unterlegscheibe oder Sicherungsring) erhöht den Setzbetrag. Auch können bei querbelasteten Schraubenverbindungen grundsätzlich höhere Setzbeträge auftreten. Der Setzbetrag wird automatisch berechnet, kann aber auch über den Schloss-Button eingegeben werden.

Nach der VDI 2230 Richtlinie führen Setzbeträge, die während der Montage auftreten, nicht zu einem Vorspannungsverlust. Die erzielte Montagevorspannkraft \(F_{M}\) wird daher nur durch die nach abgeschlossener Montage auftretenden Verformungen \(f_{Z}\) um den Betrag \(F_{Z}\) vermindert. Findet keine Einebnung der Oberflächenrauigkeiten während des Anziehvorganges statt (hydraulisches oder thermisches Vorspannen), dann können die nach der Montage auftretenden Setzbeträge deutlich größer als die hier genannten Richtwerte sein.
Die folgende Tabelle gibt Richtwerte für den Setzbetrag an. Laut VDI 2230 stellen sich bei querbelasteten Schraubenverbindungen grundsätzlich höhere Setzbeträge als bei axial belasteten Verbindungen ein.
| Richtwerte für Setzbeträge2
| ||||
| Gemittelte Rautiefe | Belastung | Richtwerte für Setzbeträge in \(\mu m\) | ||
| \(R_{z}\) nach \(ISO 4287^{a)}\) | im Gewinde | je Kopf- o. Mutternauflage | je innere Trennfuge | |
| < 10 \(\mu m\) | Zug/Druck | 3 | 2,5 | 1,5 |
| Schub | 3 | 3 | 2 | |
| 10 \(\mu m\) bis < 40 \(\mu m\) | Zug/Druck | 3 | 3 | 2 |
| Schub | 3 | 4,5 | 2,5 | |
| 40 \(\mu m\) bis < 160 \(\mu m\) | Zug/Druck | 3 | 4 | 3 |
| Schub | 3 | 6,5 | 3,5 | |
| 2 Tabelle aus: VDI 2230 Blatt 1/Part 1, VDI Verlag, Düsseldorf 2015, S. 73, Tabelle 5. Richtwerte
für Setzbeträge bei Schrauben, Muttern und kompakten verspannten Teilen aus Stahl, ohne
Beschichtungen
a) Mittelwert aus den maximalen Rautiefen \(R_{t}\) von mind. zwei Einzelmessstrecken, bei fünf Einzelmessstrecken entspricht \(R_{z}\) in guter Näherung dem „alten“ \(R_{z}\) nach DIN 4768 | ||||
Die Auswirkung des Setzens kann durch die folgenden Maßnahmen ausgeglichen bzw. gemildert werden:
Hinweis: Um das Setzen nicht unnötig zu vergrößern, dürfen bei hochfesten, stark vorgespannten
Schrauben keine Sicherungsbleche, Unterlegscheiben oder Federringe unter dem Schraubenkopf oder der
Mutter verwendet werden. Auch wenn sich die Verbindung setzt, bleibt trotzdem noch eine genügend hohe
Klemmkraft erhalten.
Infolge von Setzen oder durch selbsttätiges Losdrehen von Schraube und/oder Mutter kann es zu Vorspannungskraftverlusten kommen. Der Vorspannungskraftverlust ist derjenige Anteil der Vorspannkraft, der nach Anziehen einer Schraubenverbindung verloren geht, weil sich Rauhigkeiten der Materialien (Platten, Schraubenkopf und Gewinde) in den Kontaktflächen einebnen. Sie muss neben den in der Montagevorspannkraft enthaltenen Kräften aufgebracht werden. Diese Kraft steht nicht zum Anziehen der Schraube zur Verfügung. Vorspannungskraftverluste lassen sich durch geringe Trennfugenzahl und kleine Rauigkeit verringern. Es besteht für Sie die Möglichkeit, den Vorspannkraftverlust manuell zu beeinflussen.
Durch die Schraube sollen die zu verbindenen Teile verspannt werden. Durch das Anziehen der Schraube oder der Mutter werden die zu verspannenden Teile aufeinander gepresst und entsprechend gestaucht, die Schraube wird gelängt. In der Maske „Verspannte Teile“ wird die Geometrie der verspannten Teile definiert. Die verspannten Teile können als Zylinder, Prismen oder Kreisringsegmente definiert werden. Dazu gehören zum Beispiel die Angaben zum Außen- oder Innendurchmesser für ein Kreisringsegment. Weiterhin lassen sich hier auch Werkstoff, Dicke und Rauigkeit der einzelnen Teile festlegen.

Bei den verspannten Teilen lassen sich die folgenden Grundkörpergeometrien aus der Listbox auswählen:

Je nach ausgewählter Grundkörpergeometrie erscheinen die entsprechenden Parameter. Dazu erhalten Sie zusätzlich eine graphische Abbildung. Nach Eingabe der Geometrie werden alle weiteren Geometriewerte automatisch berechnet.

Hinweis: Wenn Sie in der Hauptmaske „Betriebsdaten“ als Konfiguration „Flanschverbindung VDI 2230 Blatt 2
(2014) Mehrschraubenverbindung (MV)“ gewählt haben, dann wird automatisch „Kreisringsegment“ als
Grundkörpergeometrie festgelegt. Bei einer Einzelschraubverbindung gibt es mindestens ein verspanntes Teil,
bei einer Durchsteckschraubverbindungen werden in der Regel mindestens zwei Teile miteinander verspannt.
Es gibt aber, wie immer, auch Ausnahmefälle.
Mit Hilfe der Tabelle lassen sich die verspannten Teile auf Knopfdruck einfach zur Verbindung hinzufügen oder auch wieder entfernen. Dabei kann jeweils die Dicke, der Werkstoff sowie die Rauigkeit definiert werden.

Beim Klicken auf den „+“ Button kann ein verspanntes Teil zur Verbindung hinzugefügt werden, ein Klick auf den „-“ Button entfernt das Teil wieder aus der Verbindung. Um das Teil aus der Verbindung zu entfernen, müssen Sie es vorher in der Tabelle auswählen und anschließend auf den „-“ Button klicken. Je nach Schraubenlänge können beliebig viele Teile zur Verbindung hinzugefügt werden. Reicht die Schraubenlänge nicht aus, so erhalten Sie eine entsprechende Fehlermeldung im Meldungsfenster. Sie können dann in der Maske „Verbindung“ die Schraubenlänge ändern. Wählen Sie dabei einfach die vorgegebene Schraubenlänge aus der Listbox aus oder klicken Sie auf den Schloss-Button, um einen eigenen Wert für die Länge einzugeben. Das Programm wird Ihnen anzeigen, ob die Schraubenlänge für die verspannten Teile ausreicht oder nicht.

Mit einem Doppelklick kann die jeweilige Spalte aktiviert werden, um so den Wert zu ändern. Für jedes verspannte Teil kann ein Werkstoff definiert werden. Der Werkstoff lässt sich aus der Listbox auswählen. Wenn Sie auf das blaue Kreissymbol mit dem weißen Ausrufezeichen rechts neben der Listbox klicken, dann können Sie die Werkstoffdatenbank öffnen.

Die Datenbank enthält für jeden Werkstoff zusätzliche Informationen, wie Elastizitätsmodul, thermischer Ausdehnungskoeffizient und Grenzflächenpressung. Klicken Sie sich mit Hilfe der Cursor-Taste nach unten durch die Listbox. Somit lassen sich die einzelnen Werkstoffe anhand ihrer Eigenschaften schnell miteinander vergleichen.

Sollten Sie in der Werkstoffdatenbank nicht den richtigen Werkstoff für Ihre Anwendung finden, so können Sie Ihren individuellen Werkstoff festlegen. Wählen Sie dazu in der Listbox den Eintrag „benutzerdefiniert“ aus und klicken Sie auf das blaue Kreissymbol rechts neben der Listbox.

Die Werkstoffdatenbank öffnet sich und es werden die entsprechenden Eingabefelder freigegeben, damit Sie Ihre individuellen Daten festlegen können.

Hinweis: Ihre Eingaben werden beim Speichern in der Berechnungsdatei mitgespeichert. Wählen Sie
allerdings im Modul einen anderen Werkstoff aus der Listbox aus, gehen Ihre definierten Angaben verloren.
Diese müssen Sie anschließend erneut eingeben.
Da in der Werkstoffdatenbank die Werkstoffkennwerte, wie Elastizitätsmodul und Ausdehnungskoeffizient, für eine Raumtemperatur von 20°C hinterlegt sind, müssen bei sehr hohen und sehr niedrigen Temperaturen die Werkstoffkennwerte entsprechend manuell angepasst werden. Dazu wählen Sie in der Listbox „Werkstoff“ den Eintrag „benutzerdefiniert“ aus. Die Eingabefelder Elastizitätsmodul, thermischer Ausdehnungskoeffizient und Grenzflächenpressung werden aktiviert und können anschließend modifiziert werden.

Eine Schraubenverbindung besteht aus den folgenden Komponenten:
Mit Hilfe der Maske „Verbindung“ werden die Eigenschaften der Schraube, der Mutter und der Bohrung definiert. In den erweiterten Einstellungen gibt es die Möglichkeit, Reibwerte und Rautiefen zu spezifizieren oder Unterlegscheiben hinzuzufügen.

Schraubenverbindungen können als Einschraubverbindung (ESV) oder als Durchsteckschraubverbindung (DSV) ausgeführt werden. Beide Varianten lassen sich entsprechend aus der Listbox auswählen. Je nach ausgewählter Verschraubung werden die dazugehörigen Eingabemöglichkeiten sowie eine graphische Darstellung angezeigt.

Eine Einschraubverbindung, Schraubenverbindung mit einer Schraube, besteht aus einem Bauteil mit Innengewinde und einem Bolzen mit Außengewinde. Das bedeutet, dass bei einer Einschraubverbindung das Bauteil mit einem anderen Werkstück, in dem sich ein Innengewinde befindet, verschraubt wird. Bei Durchsteckverbindungen werden die zu verbindenden Bauteile durch das Anziehen der Schraube und der Mutter zusammengepresst. Bei einer Durchsteckverschraubung braucht kein Gewinde in ein Bauteil geschnitten werden. Vorgespannte hochfeste Durchsteckschrauben werden auch zur Übertragung von Querkräften durch Reibschluss benutzt, zum Beispiel bei den HV-Verbindungen (hochfest vorgespannten Verbindungen) im Stahlbau.

Es gibt eine Vielzahl an Schrauben. Im Wesentlichen unterscheiden sich die Schrauben durch die unterschiedliche Kopfform, über welche die Drehbewegung und das Anziehmoment in die Schraube eingeleitet werden. Im Maschinenbau kommt hauptsächlich die Schraube mit Sechskantkopf und -mutter vor (als Durchsteckschraube, Kopfschraube oder Stiftschraube). Für versenkte Anordnung nimmt man die Innensechskantschraube, eher seltener werden Zylinder- oder Senkschrauben genutzt. Im Stahlhochbau werden hochfeste Verbindungen (HV-Verbindungen) mit HV-Schrauben verwendet, die auch zum Teil im Großgetriebebau zum Einsatz kommen. Schrauben, Muttern und deren Gewinde sind weitgehend genormt. Die Wahl des jeweiligen Schaubenkopfes richtet sich zum Beispiel nach den Platzverhältnissen, der Belastbarkeit oder der erforderlichen Anzugsmöglichkeit. Die folgende Abbildung zeigt eine Auswahl wichtiger Bauformen. Weitere Informationen finden Sie in der entsprechenden Norm.

Sechskantschraube: Im Maschinenbau ist die Sechskantschraube mit Sechskantmutter als
Durchsteckverschraubung vorherrschend. Die Sechskantschraube ermöglicht ein großes Anzieh- und
Lösemoment, leichtes Umsetzen des Schraubenschlüssels, erfordert allerdings großen Raumbedarf für
Schraubenschlüssel.
Zylinderschraube mit Innensechskant: Eine Zylinderschraube mit Innensechskant eignet sich besonders
dort, wo wenig Platz für den Schraubenkopf zur Verfügung steht. In ihrem Kopf befindet sich
eine sechskantige Aussparung, in die ein gebogener Sechskantstahl als Schlüssel eingesetzt
wird.
Zylinderschrauben als Schlitzschraube: Zylinderschrauben als Schlitzschrauben werden nur in kleineren Abmessungen ausgeführt.

Hochfeste Verbindungen: HV-Verbindungen werden häufig im Stahlbau eingesetzt. Diese
Schraubenverbindungen sind höher vorgespannt als übliche Schraubenverbindungen. Hochfeste Schrauben
haben höchste Tragfähigkeit. Als hochfeste Schraubenverbindungen werden nur die Festigkeitsklassen 8.8,
9.8, 10.9 sowie 12.9 angesehen.
Wählen Sie eine Schraubennorm direkt aus der Listbox aus oder klicken Sie auf den Button „Schraube“ über den Sie anschließend in die Schraubendatenbank gelangen. Passend zum Schraubentyp wird der entsprechende Schraubendurchmesser sowie die Schraubenlänge angezeigt.

Der Schraubendurchmesser lässt sich über die Listbox auswählen. Neben der Listbox befindet sich der Auslegungsbutton. Durch diese Funktion lässt sich der Durchmesser schnell und einfach optimieren. Klicken Sie auf das Taschenrechnersymbol und Sie erhalten einen Vorschlag für einen Schraubendurchmesser. Dabei wird genau der Schraubendurchmesser ermittelt, der die vorgegebene Mindestsicherheit erfüllt.

Die Schraubenlänge kann ebenfalls direkt aus der Listbox ausgewählt werden. Die Schraubenlänge kann aber auch manuell eingegeben werden. Klicken Sie dazu auf den Schloss-Button, um das Eingabefeld freizuschalten und geben Sie einen Wert ein. Wenn Sie den Schloss-Button wieder schließen, dann wird die Schraubenlänge auf die nächste Normlänge gesetzt.

Nach einem Klick auf den Button „Schraube“ öffnet sich die Schraubendatenbank. In der Schraubendatenbank erhalten Sie detaillierte Informationen zur ausgewählten Schraube, wie zum Beispiel Kopfgeometrie, Gewinde oder Schaft. Die Tabelle auf der linken Seite enthält die aktuell gewählte Schraubenlänge (grau markiert) sowie die Gewindegröße (Schraubendurchmesser). Mit einem Klick können Sie direkt aus der Tabelle eine andere Schraubenlänge wählen. Alle Werte, wie Kopfgeometrie und Gewinde, passen sich automatisch an die neu gewählte Schraubenlänge an.
Aus der Listbox „Norm“ lässt sich außerdem schnell eine neue Schraube auswählen. Klicken Sie auf den Button „OK“, um die Schraube zu übernehmen.

Es besteht für Sie die Möglichkeit, eine eigene Schraubengeometrie zu definieren. Wählen Sie entweder aus der Listbox Schraubennorm den Eintrag „benutzerdefinert“ aus oder klicken Sie auf den Button „Schraube“, um die Schraubendatenbank zu öffnen. Auch dort können Sie aus der Listbox „Norm“ den Eintrag „benutzerdefinert“ auswählen.

Wenn Sie diesen Eintrag „benutzerdefiniert“ gewählt haben, werden die entsprechenden Eingabemöglichkeiten aktiviert und Sie können Ihre individuelle Schraubengeometrie definieren. Ihre Eingaben werden beim Speichern mit in der Berechnungsdatei mitgespeichert. Wenn Sie allerdings im Modul wieder eine vordefinierte Schraube aus der Listbox auswählen, dann gehen Ihre vorherigen Angaben verloren. Diese müssen Sie bei Bedarf anschließend erneut eingeben.

Schrauben und Muttern werden in Festigkeitsklassen eingeteilt. Die Festigkeitsklassen geben Informationen über die mechanischen Eigenschaften, wie zum Beispiel Zugfestigkeit und Streckgrenze. Für Schrauben werden zehn Festigkeitsklassen mit den zugehörigen Festigkeitswerten unterschieden. Die Kennzeichnung der Schraube mit der Festigkeitsklasse erfolgt allgemein am Schraubenkopf oder dort, wo es die Form der Schraube zulässt.

Die Kennzeichnung für die Festigkeitsklasse besteht aus zwei Zahlen, die durch einen Punkt getrennt werden, zum Beispiel 4.6, 8.8 oder 10.9. Mit der Kennzeichnung wird die Zugfestigkeit sowie die Streckgrenze angegeben. Die erste Zahl (Festigkeitskennzahl) gibt 1/100 der Mindestzugfestigkeit \(R_{m}\) in \(N/mm^{2}\) an. Die zweite Zahl gibt das Zehnfache des Streckgrenzenverhältnisses \(R_{p0,2}\) / \(R_{m}\) an.
Zugfestigkeit \(R_{m}\): Erste Zahl wird mit 100 multipliziert
Streckgrenze \(R_{e}\): Beide Zahlen werden multipliziert und nochmals mit 10 multipliziert
Zugfestigkeit \(R_{m}\): \(R_{m}\) = 8 x 100 \(N/mm^2\) = 800 \(N/mm^2\)
Streckgrenze \(R_{e}\): \(R_{e}\) = 8 x 8 x 10 \(N/mm^2\) = 640 \(N/mm^2\)
Zugfestigkeit \(R_{m}\): \(R_{m}\) = 10 x 100 \(N/mm^2\) = 1000 \(N/mm^2\)
Streckgrenze \(R_{e}\): Re = 10 x 9 x 10 \(N/mm^2\) = 900 \(N/m^2\)
Die Festigkeitsklassen 4.6, 5.6, 5.8, 6.8, 8.8, 10.9 und 12.9 sind recht gebräuchlich. Sehr häufig wird die
Klasse 8.8 in der Industrie eingesetzt. Abgesehen von Flanschverbindungen, sind die Klassen 4.6, 5.6 und 5.8
eher selten. Die Festigkeitsklassen 10.9 und 12.9 werden für berechnete und definiert vorgespannte
Schraubverbindungen verwendet.
Hinweis: Die Wahl der richtigen Festigkeitsklasse hängt von verschiedenen Faktoren ab, zum Beispiel von der
Größe der zu übertragenden Kräfte. Sind keine bestimmten Anforderungen bekannt, so kann zum Beginn
einer Auslegung als erste Näherung eine vergütete Schraube in der Festigkeitsklasse 8.8 gewählt werden.
Wird für eine Schraubenverbindung keine hohe Festigkeit verlangt, dann genügen Schrauben unter der
Festigkeitsklasse 8.8.
Die Festigkeitsklasse lässt sich einfach aus der Listbox auswählen. Wenn Sie zusätzliche Informationen zur Festigkeitsklasse brauchen, dann klicken Sie auf den Button „Festigkeitsklasse“. Das Dialogfenster zeigt Ihnen zum Beispiel das Elastizitätsmodul, Zugfestigkeit und Scherfestigkeit an.

Die Festigkeitsklasse lässt sich manuell festlegen. Wählen Sie im Dialogfenster aus der Listbox den Eintrag „benutzerdefiniert“ und ergänzen Sie die Werte für Elastizitätsmodul, Scherfestigkeit usw. Die benutzerdefinierten Eingaben werden beim Speichern in eine Berechnungsdatei gespeichert. Wählen Sie allerdings eine andere Festigkeitsklasse aus, gehen Ihre definierten Eingaben verloren und müssen erneut eingegeben werden.

Um zwischen Festigkeitsklasse und Werkstoff zu wechseln, klicken Sie auf den Pfeil-Button. Mit dem Pfeil-Button können Sie zwischen Festigkeitsklasse und Werkstoff wechseln. Als Werkstoff kommt insbesondere Stahl in Frage, für Schrauben und Muttern wird daher überwiegend Stahl mit einer mittleren bis hohen Festigkeit verwendet. Wichtig dabei sind eine hohe Zähigkeit sowie eine gute Kaltverformbarkeit.

Wählen Sie hier den entsprechenden Werkstoff direkt aus der Listbox oder klicken Sie auf den Button „Werkstoff“ über den Sie anschließend in die Werkstoffdatenbank gelangen.

Sollten Sie in der Werkstoffdatenbank nicht den richtigen Werkstoff finden, so können Sie auch hier Ihren individuellen Werkstoff anlegen. Wenn Sie die Option „benutzerdefiniert“ auswählen, dann werden die entsprechenden Eingabefelder freigegeben und Sie können Ihre individuellen Daten festlegen. Bestätigen Sie anschließend mit dem „OK“-Button. Ihre Eingaben werden beim Speichern in der Berechnungsdatei mitgespeichert. Wählen Sie allerdings im Modul einen anderen Werkstoff aus der Listbox aus, gehen Ihre individuell definierten Angaben verloren. Diese müssen Sie anschließend erneut eingeben.

Zu jedem Außengewinde (Schraube) gehört ein Innengewinde (Mutter), in das die Schraube eingeschraubt wird. Die Außenkontur der Mutter dient zur Verbindung mit einem Schraubenschlüssel, mit dem das Drehmoment zum Anziehen der Mutter eingeleitet wird. Mit Hilfe von Muttern lassen sich Durchsteckverschraubungen ausführen.

Im Maschinenbau werden am häufigsten Sechskantmuttern verwendet, die mit üblichen Schraubenschlüsseln angezogen werden. Die Festigkeitsklassen von Muttern sind zwar für denselben Geltungsbereich festgelegt, jedoch lassen sich die Festigkeitsklassen zusätzlich in drei Belastungsgruppen einteilen. Gruppe A deckt die Muttern für Schraubverbindungen mit voller Belastbarkeit ab (z.B. DIN EN ISO 4032), Gruppe B die Muttern für Schraubenverbindungen mit eingeschränkter Belastbarkeit (z.B. DIN EN ISO 4035) sowie Gruppe C, die für Muttern für Schraubenverbindungen ohne eine festgelegte Belastbarkeit gedacht ist (z.B. DIN 936). Anders als bei Schrauben werden die Festigkeitsklassen von Muttern nicht aus einer Kombination aus zwei Ziffern angegeben. Die Festigkeitsklasse einer Mutter wird nur mit einer Zahl gekennzeichnet. Diese Zahl entspricht 1/100 der Mindestzugfestigkeit einer Schraube mit gleicher Festigkeitsklasse. Das Ergebnis wird dann in \(N/mm^{2}\) angegeben. Die Kennzeichnung von Sechskantmuttern mit der Festigkeitsklasse ist ab einem Gewinde von M5 vorgeschrieben.
Zugfestigkeit \(R_{m}\): \(R_{m}\) = 8 x 100 \(N/mm^2\) = 800 \(N/mm^2\)
Die Mutter kann direkt aus der Listbox ausgewählt werden. Muttern, die für den entsprechenden Anwendungsfall nicht geeignet sind, werden automatisch rot markiert.

Die Formen der Muttern richten sich nach den Bedienungsmöglichkeiten: für das Anziehen von Hand eignen
sich Flügel- und Rändelmuttern, Sechskant-, Vierkant-, Hut- und Kronenmuttern lassen sich mit üblichen
Schraubenschlüsseln anziehen. Sind die Platzverhältnisse eingeschränkt, so können beispielsweise
Schlitzmuttern mit Schlitz an der Stirnfläche für den Schraubendreher oder Zweilochmuttern mit Löchern an
der Stirnfläche genutzt werden.
Hinweis: Generell sollten die Festigkeitsklassen von Schrauben und Muttern immer übereinstimmen, um eine
optimale Werkstoffausnutzung zu erzielen und um ein Versagen der Schraubenverbindung durch einen Bruch
der Schraube zu verhindern. Bei einer Schraube mit der Festigkeitsklasse 8.8 zum Beispiel ist auch die Mutter
mit einer Festigkeitsklasse von 8 zu wählen. Stimmen die Festigkeitsklassen von Schraube und Mutter
überein, dann ist die Schraubenverbindung voll tragfähig.
Klicken Sie auf den Button „Mutter“, dann öffnet sich ein neues Fenster, um Ihnen Detailinformationen zur Mutter anzuzeigen.

Wie schon bei den Schrauben lassen sich auch für die Muttern ganz individuelle Vorgaben definieren. Dazu
wählen Sie in der Listbox „Norm“ einfach den Eintrag „benutzerdefiniert“ aus und ergänzen Ihre Werte. Ist
der benutzerdefinierte Eintrag aktiviert, kann auch das Gewinde entsprechend eingestellt werden. Hier lässt
sich ebenso der Eintrag „benutzerdefiniert“ anklicken und Werte hinzufügen. Vergessen Sie nicht, dass bei
der Wahl einer anderen Mutter aus der Datenbank Ihre Angaben wieder verloren gehen und Sie diese erneut
eingeben müssen.
Hier haben Sie die Möglichkeit, die Gewindedurchgangsbohrung zu definieren. Wählen Sie aus der Listbox die Norm der Durchgangsbohrung: DIN EN 20273 Reihe fein, mittel oder grob.

Mit einem Klick auf den Button „Bohrung“ lassen sich die Bohrungseigenschaften öffnen. Hier können Sie die Fasen am Kopf oder Gewinde berücksichtigen. Laut VDI 2230 Richtlinie können durch Fasen an der Bohrung bei Stählen bis zu 25% höhere Werte für die Grenzflächenpressung erreicht werden (Stützwirkung).
Sehr kleine Außenabmessungen verspannter Teile führen zu einer teilweise deutlichen Verringerung der Grenzflächenpressung. Falls Unterlegscheiben zur Verminderung der Flächenpressung verwendet werden, ist auf deren ausreichende Festigkeit und Dicke zu achten.

Wählen Sie aus der Listbox „benutzerdefiniert“ aus, dann können Sie einen individuellen Bohrungsdurchmesser \(d_{h}\) eingeben.

Die folgende Tabelle liefert eine Übersicht über die Maße für Durchgangslöcher nach DIN EN 20273.
| ø Maße für Durchgangslöcher nach DIN EN 202733
| |||
| Gewinde | Durchgangsloch nach DIN EN 20273 | ||
|
| fein | mittel | grob |
| M3 | 3,2 | 3,4 | 3,6 |
| M4 | 4,3 | 4,5 | 4,8 |
| M5 | 5,3 | 5,5 | 5,8 |
| M6 | 6,4 | 6,6 | 7 |
| M8 | 8,4 | 9 | 10 |
| M10 | 10,5 | 11 | 12 |
| M12 | 13 | 13,5 | 14,5 |
| M14 | 15 | 15,5 | 16,5 |
| M16 | 17 | 17,5 | 18,5 |
| M20 | 21 | 22 | 24 |
| M24 | 25 | 26 | 28 |
| M30 | 31 | 33 | 35 |
| M36 | 37 | 39 | 42 |
| 3 Tabelle aus: Niemann G., Winter H.: Maschinenelemente, Band 1, Konstruktion und
Berechnung von Verbindungen, Lagern, Wellen, 3. Auflage 2001, Springer-Verlag, S. 441,
Abb. 10.49.
| |||
Ein großer Teil des Anziehdrehmomentes wird nicht für die Erzeugung der Vorspannkraft genutzt, sondern
dient eher zur Überwindung der Reibung im Gewinde und in der Kopfauflage. Die Größe der Reibung wird
durch die jeweiligen Reibungszahlen in der Kopfauflage \(\mu _{K}\) und im Gewinde \(\mu _{G}\) ausgedrückt. Bei einer typischen
Reibungszahl von \(\mu _{G} \approx 0,14\) geht die erreichte Montagevorspannkraft um rd. 10% zurück, so dass lediglich rd. 80% der
Mindestkraft an der Streckgrenze verbleiben. Die Reibwerte sind stark vom Oberflächenzustand (verrostet,
sandgestrahlt, flammgestrahlt) abhängig.
Wenn die Reibwerte in den Auflageflächen des Kopfes oder der Mutter \(\mu _{K}\) und im Gewinde \(\mu _{G}\) nicht bekannt sind oder sonst keinerlei Erfahrungen vorliegen, bietet die VDI 2230 Richtwerte an, die als Entscheidungshilfe genutzt werden können.
| Zuordnung von Reibungszahlklassen mit Richtwerten zu verschiedenen
Werkstoffen/Oberflächen und Schmierzuständen bei
Schraubverbindungen4
| |||
| Reibungszahl- | Bereich für | Auswahl typischer Beispiele für | |
| klasse | \(\mu _{G}\) und \(\mu _{K}\) | Werkstoff/Oberflächen | Schmierstoffe |
| A | 0,04 bis 0,10 | metall. blank; vergütungs-schwarz; phosphatiert; galvanische Überzüge wie Zn, Zn/Fe, Zn/Ni; Zink-Lamellen-Überzüge | Festschmierstoffe wie \(MoS_{2}\), Grafit, PTFE, PA, PE, PI in Gleitlacken, als Top-Coats oder in Pasten; Wachsschmelzen; Wachsdispersionen |
| B | 0,08 bis 0,16 | metall. blank; vergütungs-schwarz; phosphatiert; galvanische Überzüge wie Zn, Zn/Fe, Zn/Ni; Zink-Lamellen-Überzüge; Al- und Mg-Legierungen | Festschmierstoffe wie \(MoS_{2}\), Grafit, PTFE, PA, PE, PI in Gleitlacken, als Top-Coats oder in Pasten; Wachsschmelzen; Wachsdispersionen, Fette; Öle, Anlieferzustand |
| feuerverzinkt | \(MoS_{2}\); Grafit; Wachsdispersionen | ||
| organische Beschichtungen | mit integriertem Festschmierstoff oder Wachsdispersion |
||
| austenitischer Stahl | Festschmierstoff oder Wachse; Pasten |
||
| C | 0,14 bis 0,24 | austenitischer Stahl | Wachsdispersionen; Pasten |
| metall. blank; phosphatiert | Anlieferungszustand (leicht geölt) |
||
| galvanische Überzüge wie Zn, Zn/Fe, Zn/Ni; Zink-Lamellen-Überzüge; Klebstoff | ohne |
||
| D | 0,20 bis 0,35 | austenitischer Stahl | Öl |
| galvanische Überzüge wie Zn, Zn/Fe; feuerverzinkt | ohne |
||
| E | \(\ge \) 0,30 | galvanische Überzüge wie Zn/Fe, Zn/Ni; austenitischer Stahl; Al-, Mg-Legierungen | ohne |
| 4 Tabelle aus: VDI 2230 Blatt 1/Part 1, VDI Verlag, Düsseldorf 2015, S. 113,
Tabelle A5. Zuordnung von Reibungszahlklassen mit Richtwerten zu verschiedenen
Werkstoffen/Oberflächen und Schmierzuständen bei Schraubenverbindungen
| |||
Es sind Reibungszahlen anzustreben, die sich in die Reibungszahlklasse B einordnen, um eine möglichst hohe Vorspannkraft bei geringer Streuung aufzubringen. Dies bedeutet nicht automatisch die Verwendung der Kleinstwerte und dass die vorhandene Reibungszahlstreuung der Klassenstreuung entspricht. Die Tabelle gilt für Raumtemperatur.

Die Oberflächenrauigkeiten einer Schraubenverbindung werden beim Anziehen zusammengedrückt und verformt. Es kommt zum Setzen der Schraubenverbindung. Durch diese Verformung wird die Rautiefe der Oberfläche verkleinert. Die richtige Rautiefe ist vom Konstrukteur festzulegen, aber es ist zu beachten, dass zu feine Oberflächen die Herstellungskosten erhöhen, zu grobe Oberflächen dagegen nicht die angedachte Funktion erfüllen. Die Wahl der Rautiefe hängt von einigen Faktoren ab, beispielsweise von der Funktion, welche die Schraube zu erfüllen hat oder von dem Fertigungsverfahren. Die Oberflächenrauigkeiten beeinflussen den Setzbetrag und den Vorspannkraftverlust der Schraubenverbindung.

Unter den anzuziehenden Kopf oder die anzuziehende Mutter wird eine Scheibe gelegt. Mit Hilfe dieser
Unterlegscheiben wird die Kraft, die durch den Schraubenkopf und/oder die Mutter ausgeübt wird, auf eine
größere Fläche verteilt. Dadurch verringert sich die Flächenpressung, aber zugleich vergrößern sich die
Setzbeträge durch plastische Deformation der zu verbindenden Teile. Unterlegscheiben müssen unter
Schrauben und Muttern verwendet werden, wenn der Werkstoff der Unterlage zum Setzen neigt. Wenn die
Unterlegscheiben zur Verminderung der Flächenpressung genutzt werden, muss man auf eine ausreichende
Festigkeit und Dicke achten.
Setzen Sie ein Häkchen in die Checkbox, um die Option zu aktivieren. Klicken Sie dann auf den Button „Unterlegscheibe unter Kopf/Mutter“, um den Dialog zum Bearbeiten der Unterlegscheiben zu öffnen.

Unterlegscheiben bieten sich auch an, wenn die Oberfläche zwischen Schraubenkopf bzw. Mutter
nicht beschädigt werden soll oder wenn die Unterlage wie bei gegossenen, geschmiedeten oder
gewalzten Teilen uneben ist. Dadurch lassen sich Unebenheiten reduzieren, die Reibung verringert
sich und erhöhte Anziehmomente werden vermieden. Auch bei großen Durchgangslöchern und
Langlöchern, bei unbearbeiteten, rauhen Oberflächen oder geringer Bauteilfestigkeit eignen sich
Unterlegscheiben. Bei glatten und festen Unterlagen sollten allerdings keine Unterlegscheiben
verwendet werden. Die Verwendung von dicken und gehärteten Scheiben ist ratsam, damit sich die
Unterlegscheiben während des Anziehens nicht verformen. Auch Unterlegscheiben werden, je nach
Maß- und Formgenauigkeit und nach Oberflächengüte, in die verschiedenen Produktklassen
F, A und C eingeteilt. Für Sechskantschrauben und -muttern der Produktklassen A und B und
einsatzgehärtete Schrauben verwendet man flache Scheiben nach DIN EN ISO 7089 oder 7090 (mit
Fase).
Aktivieren Sie die entsprechende Checkbox mit einem Mausklick, um die Unterlegscheibe unter dem Kopf und/oder der Mutter hinzuzufügen. Die Listbox mit den Auswahlmöglichkeiten wird aktiv geschaltet und Sie können eine Scheibe aus der Listbox wählen.

Das Programm bietet Ihnen auch die Möglichkeit, eigene Unterlegscheiben zu definieren. Wählen Sie dazu einfach den Eintrag „benutzerdefiniert“ aus der Listbox aus. Die Eingabefelder werden aktiviert und Sie können Ihre eigenen Werte ergänzen. Ihre Eingaben werden beim Speichern in eine Berechnungsdatei mitgespeichert. Wählen Sie allerdings wieder eine andere Unterlegscheibe aus der Listbox aus, dann gehen Ihre definierten Einträge verloren und Sie müssen diese erneut eingeben.

Der Werkstoff für die Unterlegscheibe kann bequem aus der Listbox ausgewählt werden. Wenn Sie in der Listbox nicht den richtigen Werkstoff finden, so können Sie auch hier einen eigenen Werkstoff für die Unterlegscheibe festlegen. Dazu wählen Sie aus der Listbox den Eintrag „benutzerdefiniert“ aus. Die entsprechenden Eingabefelder werden aktiviert und Sie können Ihre eigenen Werte eingeben. Ihre Eingaben werden beim Speichern in eine Berechnungsdatei mitgespeichert. Wählen Sie allerdings einen anderen Werkstoff aus der Listbox aus, dann gehen Ihre Eingaben verloren und müssen neu eingegeben werden.

Die Steifigkeiten der Schraube sowie der verspannten Teile sind auch von der Krafteinleitung abhängig. Wird die äußere axiale Betriebskraft \(F_{A}\) direkt am Schraubenkopf eingeleitet, dann ist der Krafteinleitungsfaktor \(n = 1\). Für die Krafteinleitung in der Trennfuge wird \(n = 0\). Reale Krafteinleitungen liegen zwischen diesen Werten.

Der Krafteinleitungsfaktor \(n\) berücksichtigt die örtliche Einleitung der Betriebskraft in die verspannten Teile und ist ein wichtiger Parameter für die Ermittlung und Größe der Schraubenzusatzkräfte. Der Krafteinleitungsfaktor wird nach der VDI 2230 berechnet. Je nach Krafteinleitungsort wird ein Teil der verspannten Teile entlastet und der andere Teil gestaucht. Hiermit ändert sich die Steifigkeit der verspannten Teile sowie die federnde Länge der Schraube. Diese Steifigkeitsänderung wird durch den Krafteinleitungsfaktor berücksichtigt. Bei nicht genauer Kenntnis der Krafteinleitung ist im Normalfall \(n \approx 0,5\) anzunehmen, in günstigeren Fällen \(n \approx 0,3\).
Bei Querkraft beanspruchten Schraubverbindungen, die über Reibschluss die Kräfte übertragen, ist der
Krafteinleitungsfaktor \(n = 0\).
In der VDI 2230 Richtlinie werden sechs Krafteinleitungsfälle als Verbindungstypen eingeführt. Die Verbindung muss einem der Verbindungstypen hinsichtlich der Lage der Krafteinleitungspunkte zugeordnet werden können. Die Trennfuge sollte im waagerecht gestrichenen Teil der Schraube liegen. Dies ist der Trennfugenbereich.

Der Kraftangriffspunkt und somit der Krafteinleitungsfaktor werden dann durch den Abstand zum
Anschlusskörper \(a_{k}\) und die Länge des Anschlusskörpers \(l_{A}\) bestimmt. Der Krafteinleitungsfaktor hat großen
Einfluss auf die sich in einer Schraubenverbindung einstellenden Schraubengesamtbelastungen sowie auf die
Höhe der Restklemmkraft. Daher ist es wichtig, den Wert für \(n\) möglichst genau zu bestimmen. Bei
Einschraubverbindungen (ESV) kommen für die Krafteinleitung üblicherweise die Verbindungsfälle SV1, SV2
und SV4 zur Anwendung.
Hinweis: Bei sehr kleinen Krafteinleitungsfaktoren neigt die Verbindung zum Klaffen. Im häufigeren Fall der
exzentrisch verspannten Mehrschraubenverbindung kann nach VDI 2230 mit einem Krafteinleitungsfaktor \(n = 0,4\)
gerechnet werden. Krafteinleitungsfaktor \(n = 0\) bedeutet, dass die Krafteinleitungsebenen mit der Teilungsebene der
Flansche (Platten) zusammenfallen.
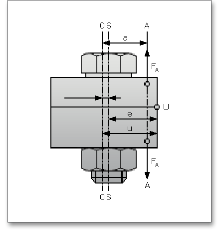
Exzentrisch verspannte und exzentrisch betriebsbeanspruchte Schraubenverbindungen sind der Regelfall. Die Wirkungslinie \(A-A\) der Betriebskraft \(F_{A}\) liegt nicht in der Schraubenachse \(S-S\) und die Schraubenachse selbst fällt nicht mit der Schwerpunktachse der verspannten Teile \(0-0\) zusammen.

Der Abstand \(a\) ist die Entfernung der Ersatzwirkungslinie der axialen Betriebskraft von der Achse der des seitensymmetrischen Verformungskörpers und besitzt immer ein positives Vorzeichen. Der Abstand \(s_{sym}\) ist positiv einzusetzen, wenn die Kraftwirkungslinie \(A\) und die Schraubenachse \(S\) auf derselben Seite bezüglich der Achse \(0\) liegen und negativ, wenn sich beide auf entgegengesetzten Seiten befinden. \(u\) ist der Randabstand des Aufklaffpunktes \(U\) von der Achse des gedachten seitensymmetrischen Verformungskörpers. Als Vorzeichenregelung bezüglich \(s_{sym}\) können die folgenden Tabellen genutzt werden.
| Vorzeichenregelungen nach VDI 2230-1: Zug-Betriebskraft5
| ||||
| Belastungsfall/Variante
| | | | |
| Lage von \(a\) und \(s_{sym}\) zu 0 - 0 | ||||
| Abmessungsverhältnisse | auf gleicher Seite | |||
| \(a \le s_{sym}\) | \(a < s_{sym}\) | verschiedene Seiten
| ||
| \(s_{sym}\) | + | + | -
| |
| Vorzeichen | u | + | - | +
|
| - Der Abstand \(a\) der Ersatzwirkungslinie der axialen Betriebskraft ist
immer positiv.
| ||||
| Erläuterungen | - Der Punkt U liegt immer an der äußersten Stelle der klaffgefährdeten
Seite der Trennfuge. Demzufolge liegt der Punkt V auf der äußersten
Stelle der anderen Seite.
| |||
| - Der Abstand \(v\) ist immer positiv.
| ||||
| Vorzeichenregelungen nach VDI 2230-1: Druck-Betriebskraft5
| ||||
| Belastungsfall/Variante
| | | | |
| Lage von \(a\) und \(s_{sym}\) zu 0 - 0 | ||||
| Abmessungsverhältnisse | auf gleicher Seite | |||
| \(a \le s_{sym}\) | \(a < s_{sym}\) | verschiedene Seiten
| ||
| \(s_{sym}\) | + | + | - | |
| Vorzeichen | u | - | - | - |
| - Der Abstand \(a\) der Ersatzwirkungslinie der axialen Betriebskraft ist
immer positiv.
| ||||
| Erläuterungen | - Der Punkt U liegt immer an der äußersten Stelle der klaffgefährdeten
Seite der Trennfuge. Demzufolge liegt der Punkt V auf der äußersten
Stelle der anderen Seite.
| |||
| - Der Abstand \(v\) ist immer positiv.
| ||||
| - Die Fälle II und III können nur in Ausnahmefällen zum Klaffen
führen.
| ||||
| - Der Fall I ist nur aus Gründen der Vollständigkeit aufgeführt, ein
Klaffen ist nicht zu erwarten.
| ||||
| 5 Tabelle aus: VDI 2230 Blatt 1/Part 1, VDI Verlag, Düsseldorf 2015, S. 69, Tabelle 4.
Vorzeichenregelungen
| ||||
Mit Hilfe eines Verspannungsdiagramms können die Zusammenhänge zwischen den sich einstellenden Kräften und Verschiebungen, wie Längung der Schraube und Zusammenpressen der verspannten Teile, bildlich dargestellt werden. Dabei zeigt die X-Achse die Längenänderung \(f\) und die Y-Achse veranschaulicht die Kraft \(F\). Klicken Sie auf den Button „Diagramme“, um das Verspannungsschaubild anzuzeigen. Das Diagramm wird später auch mit im Protokoll ausgegeben.

Klicken Sie auf die Listbox und wählen Sie das Verspannungsschaubild für die verschiedenen Betriebszustände:

Klicken Sie auf den Button „Diagramm in einem separaten Fenster anzeigen“, dann wird das Verspannungsschaubild in einem extra Fenster angezeigt. In der Darstellung steht Ihnen auf der rechten Seite eine Toolbar zur Verfügung. Die Toolbar bietet verschiedene Optionen, wie „Zoom“ oder „Verschieben“, um einzelne Bereiche des Verspannungsschaubildes näher zu betrachten.
Mit der Funktion „Zoom“ besteht zum Beispiel die Möglichkeit, die Darstellung zu vergrößern oder zu verkleinern. Mit der Funktion „Verschieben“ lässt sich die Position der graphischen Darstellung verändern.

Hinweis: Es kann ganz hilfreich sein, sich das Verspannungsschaubild mehrfach anzeigen zu lassen, um sich
die Darstellung für mehrere Betriebszustände übersichtlich anzusehen. Möchten Sie dies tun, dann klicken
Sie, sooft wie Sie möchten, auf den Button „Diagramm in einem separaten Fenster anzeigen“. Jetzt können
Sie für jedes Verspannungsschaubild aus der Listbox den entsprechenden Betriebszustand auswählen
und diesen vergleichen. Auch bei einer geänderten Berechnung ist es möglich, die Diagramme
gegenüberzustellen. Einfach für eine Berechnung das Verspannungsschaubild in einem neuen Fenster
öffnen und Fenster neben dem Berechnungsmodul positionieren. Verändern Sie jetzt Ihre Berechnung und
klicken Sie auf den „Vorwärts“ und „Zurück“-Button. Im Diagramm sehen Sie sofort die Veränderungen und
können so Ihre Berechnungen vergleichen.
|
| Auswahl zurücksetzen: Klicken Sie auf den Pfeil-Button und dieAuswahl wird deaktiviert. |
|
| Verschieben: Mit Hilfe der Verschieben-Funktion können Sie das Verspannungsschaubild innerhalb des Fensters verschieben. Klicken Sie das Verschieben-Symbol an. Am Mauszeiger erscheint anschließend ein kleines Kreuz. Klicken Sie in das Fenster, halten Sie die linke Maustaste gedrückt und ziehen Sie, um das Diagramm zu verschieben. |
|
| Ansicht mit der Maus zoomen: Sie können mit dieser Funktion einen bestimmten Punkt anklicken und diesen mit der Maus heranzoomen. |
|
| Bereich zoomen: Mit dieser Funktion können Sie einen bestimmten Bereich vergrößern. Klicken Sie mit der linken Maustaste und öffnen Sie durch Ziehen einen Rahmen, der nur den zu vergrößernden Bereich enthält. |
|
| Ansicht skalieren: Mit einem Klick lässt sich die Ansicht skalieren. Das Seitenverhältnis wird dabei nicht berücksichtigt, die Ansicht kann also beliebig breiter oder schmaler gezogen werden. |
|
| Ansicht zurücksetzen: Wenn Sie eine Ansicht rückgängig machen möchten, dann klicken Sie auf „Ansicht zurücksetzen“. |
|
| Ansicht an Fenster anpassen: Klicken Sie mit der linken Maustaste, um die gesamte Ansicht an das Fenster anzupassen. |
|
| Ansicht vergrößern: Klicken Sie mit der linken Maustaste, um die Ansicht zu vergrößern. |
|
| Ansicht verkleinern: Klicken Sie mit der linken Maustaste, um dieAnsicht zu verkleinern. |
Wenn Sie im Verspannungsschaubild mit der rechten Maustaste klicken, dann öffnet sich ein Kontextmenü. Dort besteht dann die Möglichkeit, Funktionen, wie Vergrößern oder Verkleinern mit Hilfe der rechten Maustaste schnell aufzurufen.

Die folgenden Funktionen stehen Ihnen hier zur Verfügung:
|
| Ansicht zurücksetzen: Wenn Sie eine Ansicht rückgängig machen möchten, dann klicken Sie auf „Ansicht zurücksetzen“. |
|
| Alles zeigen: Klicken Sie mit der linken Maustaste, um die gesamte Ansicht an das Fenster anzupassen. |
|
| Ansicht vergrößern: Klicken Sie mit der linken Maustaste, um die Ansicht zu vergrößern. |
|
| Ansicht verkleinern: Klicken Sie mit der linken Maustaste, um dieAnsicht zu verkleinern. |
|
| Screenshot erstellen: Klicken Sie auf diesen Menüpunkt, dann können Sie vom Verspannungsschaubild einen Screenshot erstellen. Geben Sie die entsprechenden Abmessungen des Screenshots ein und klicken Sie auf den Button „OK“. Der Screenshot wird in die Zwischenablage kopiert und kann durch die Funktion „Einfügen“ aus der Zwischenablage in einem anderen Dokument eingefügt werden. |
|
| Drucken: Das Verspannungsschaubild lässt sich schnell und einfach ausdrucken. Einfach auf den Menüpunkt klicken und den passenden Drucker auswählen. |
Hinweis: Wenn Sie direkt im Diagramm auf die rechte Maustaste drücken, dann können Sie das Diagramm
sofort verschieben. Mit dem Scrollrad der Maus lässt sich das Verspannungsschaubild schnell und einfach
vergrößern oder verkleinern.
Das Berechnungsmodul enthält ein Meldungsfenster, in denen Informationen, Hinweise oder Warnungen aufgelistet werden. Die TBK-Software erkennt bereits während der Dateneingabe auftretende Fehler und zeigt Ihnen sogleich Lösungsvorschläge im Meldungsfenster an. Wenn Sie die verschiedenen Hinweise und Warnungen beachten und befolgen, lassen sich schnell Fehler in Ihrer Berechnung beheben.

Bewegen Sie den Mauszeiger über ein Eingabefeld oder über einen Button, so erhalten Sie zusätzliche Informationen, die Ihnen in der Kurzhilfezeile angezeigt werden.

Die Ergebnisse werden bereits während jeder Eingabe berechnet und immer aktuell im Ergebnisfeld angezeigt. Es wird nach jeder abgeschlossenen Eingabe neu durchgerechnet. Dadurch werden jegliche Veränderungen der Eingabewerte auf die Ergebnisse schnell sichtbar. Im Ergebnisfeld werden die Sicherheiten gegen Fließen \(S_{F}\), gegen Flächenpressung \(S_{P}\), gegen Dauerbruch \(S_{D}\), gegen Gleiten \(S_{G}\) sowie gegen Abscheren \(S_{A}\) aufgeführt. Zusätzlich werden die Montagevorspannkraft, Montageanziehdrehmoment sowie der Ausnutzungsgrad angezeigt.

Werden die im Einstellungsmenü vorgegebenen Mindestsicherheiten nicht erfüllt, so wird das Ergebnis mit einer roten Markierung angezeigt. Grundsätzlich können Sie jede Eingabe mit der Enter-Taste oder mit einem Klick in ein neues Eingabefeld abschließen. Alternativ können Sie mit der Tab-Taste durch die Eingabemaske springen oder nach jeder Eingabe auf den Button „Berechnen“ klicken. Auch hierbei werden die Werte entsprechend übernommen und die Ergebnisse sofort in der Übersicht angezeigt.
daraus ergibt sich die Ausnutzung zu: \(\eta = max(\eta _{M}, \eta _{B})\)
Mit Hilfe des Ausnutzungsgrades wird schnell klar, ob eine Schraubenverbindung die gewünschten
Anforderungen erfüllt (\(\eta = 100\%\) oder nicht \(\eta > 100\%\)).
Nach Abschluss Ihrer Berechnungen haben Sie die Möglichkeit, ein Protokoll zu generieren. Klicken Sie dazu auf den Button „Protokoll“, um das Protokoll zu öffnen.

Das Protokoll enthält ein Inhaltsverzeichnis. Hierüber lassen sich die gewünschten Ergebnisse schnell aufrufen. Es werden Ihnen alle Eingaben sowie Ergebnisse aufgeführt. Das Protokoll steht Ihnen im HTML- und im PDF-Format zur Verfügung. Sie können das erzeugte Protokoll zum Beispiel im HTML-Format abspeichern, um es später in einem Web-Browser wieder oder im Word für Windows zu öffnen.

Das Berechnungsprotokoll lässt sich speichern oder drucken:
Nach der Durchführung Ihrer Berechnung können Sie diese speichern. Sie haben dabei die Möglichkeit, auf Ihrem Rechner zu speichern. Klicken Sie auf den Button „Speichern“ in der obersten Zeile des Berechnungsmoduls.

Geben Sie im Window-Dialogfenster unter „Dateiname“ den Namen Ihrer Berechnung ein und klicken Sie anschließend auf den Button „Speichern“.

Mit dem Button „Zurück“ können Sie vorhergegangene Eingaben zurücksetzen. Wenn Sie eine rückgängiggemachte Eingabe wiederherstellen wollen, dann klicken Sie auf den Button „Vorwärts“.

Klicken Sie auf den Button „Einstellungen“ in der oberen Zeile des Berechnungsmoduls, dann können Sie die erforderlichen Mindestsicherheiten für die Schraube definieren.

Hier finden Sie verschiedene Standardeinstellungen, die Sie individuell anpassen können:

Die voreingestellten Mindestsicherheiten sind der VDI-Richtlinie 2230 entnommen. Die erforderlichen Sicherheiten müssen vom Anwender festgelegt werden. Nach VDI 2230 werden die folgenden Sicherheiten angegeben: